-
Grand Future Air Dried Fresh Beef Dog Food
Air Dried Dog Food | Fresh Beef

Carnivore Diet for Dogs

Go Back   Automotive Forums Car Chat > Chevrolet > Chevelle
Register FAQ Community
Reply Show Printable Version Show Printable Version | Subscription Subscribe to this Thread
 
Thread Tools
  #1  
Old 09-06-2009, 06:34 AM
Brewtom Brewtom is offline
AF Newbie
 
Join Date: Sep 2009
Posts: 1
Thanks: 0
Thanked 0 Times in 0 Posts
72 chevelle dash electrics

just bought a 72 chevelle. None of the dashboard lights work. Fuzes are good. Is there a single source feed to the dash I should be looking at? Any other ideas?
Reply With Quote
  #2  
Old 10-12-2009, 10:54 PM
Blue Bowtie's Avatar
Blue Bowtie Blue Bowtie is offline
Registered Offender
 
Join Date: Mar 2006
Posts: 6,565
Thanks: 8
Thanked 346 Times in 341 Posts
Re: 72 chevelle dash electrics

There ae a couple possibilities. The light switch and its connector, the instrument cluster connector, or,
like the one I worked on, the bussing connections behind the fuse panel on the INST fuse.



Your's probably won't have the extra four fuses on the right unless you've installed an EFI engine like this one:
http://www.automotiveforums.com/vbul...d.php?t=967713


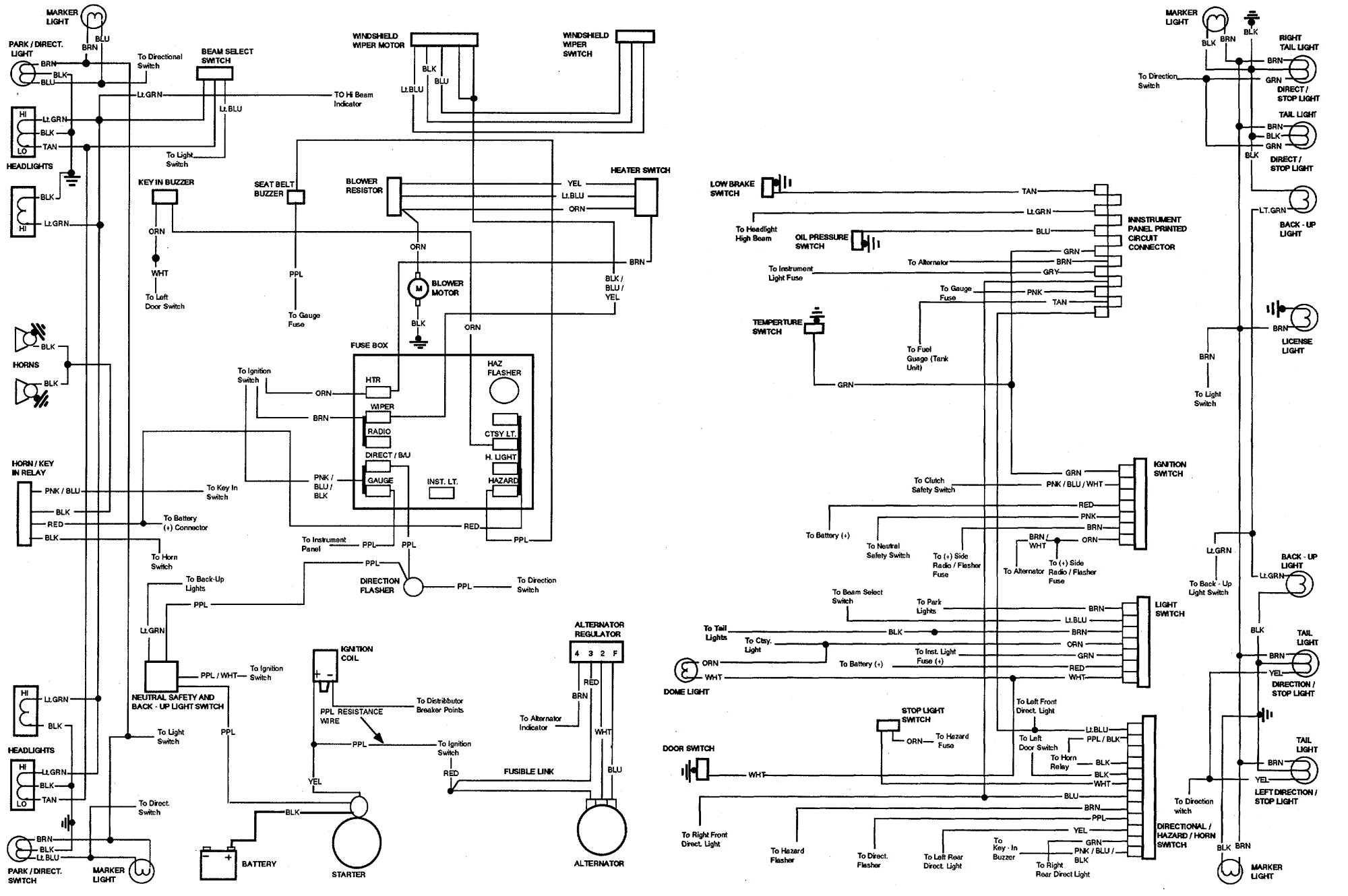
This might help:

__________________
Permanent seat assignment on the Group W bench...
Automotive Forums Survival Guide
Reply With Quote
  #3  
Old 12-14-2010, 06:21 PM
Tony Silva's Avatar
Tony Silva Tony Silva is offline
AF Regular
 
Join Date: Mar 2010
Posts: 234
Thanks: 5
Thanked 23 Times in 23 Posts
Re: 72 chevelle dash electrics

The brown wire (2 of them on one terminal) coming out of the light switch sends power to Any gray wire for the dash lights to work. Also, check to be sure the ground wires are still bolted to the back of the metal of the speedometer and one to the idiot lights/clock
Reply With Quote
 
Reply

POST REPLY TO THIS THREAD

Go Back   Automotive Forums Car Chat > Chevrolet > Chevelle


Posting Rules
You may not post new threads
You may not post replies
You may not post attachments
You may not edit your posts

BB code is On
Smilies are On
[IMG] code is On
HTML code is Off



All times are GMT -5. The time now is 12:17 AM.

Community Participation Guidelines | How to use your User Control Panel

Powered by: vBulletin | Copyright Jelsoft Enterprises Ltd.
 
 
no new posts