-
Grand Future Air Dried Fresh Beef Dog Food
Air Dried Dog Food | Fresh Beef

Carnivore Diet for Dogs

Go Back   Automotive Forums Car Chat > Geo > Metro
Register FAQ Community
Reply Show Printable Version Show Printable Version | Subscription Subscribe to this Thread
 
Thread Tools
  #1  
Old 11-30-2006, 07:02 PM
lilrogue78 lilrogue78 is offline
AF Regular
 
Join Date: Oct 2005
Posts: 155
Thanks: 0
Thanked 0 Times in 0 Posts
Angry Piece of Junk Geo I am beginning to hate these things....

Hi, i have tried everything, using diagnostic mode, checking t-belt, timing, fuel pump, spark plugs, coil, injector, compression, wiring, fuses, grounds, altanator, and i am at the point of giving up so any suggestions on a 1992 geo metro 3cylinder for a No Fuel, No Spark, And no injector pulse, so ANY and ALL input or ideas are better then i have because i am out, so any help would be great THanks ( i understand this is a semi common problem so maybe some other person that has had this problem knows how to fix it ... i am close to losing my job at this point and am almosed out of money so any help iis great, thanks
Dave
Reply With Quote
  #2  
Old 11-30-2006, 09:43 PM
spy1309 spy1309 is offline
AF Regular
 
Join Date: Apr 2005
Posts: 135
Thanks: 0
Thanked 0 Times in 0 Posts
Re: Piece of Junk Geo I am beginning to hate these things....

Ruling out the timing belt you might have a bad ground, in the back of the throtle body on the left side you will see 3 or 4 wires grouped if i remember well conected to the throtle body those are ground wires bad ground there will render injector useless, also check all the ground connections, now we assume that the ECM is good as long you are able to retreive the check fault , codes, also check the relays sockets.
Reply With Quote
  #3  
Old 12-01-2006, 02:19 AM
lilrogue78 lilrogue78 is offline
AF Regular
Thread starter
 
Join Date: Oct 2005
Posts: 155
Thanks: 0
Thanked 0 Times in 0 Posts
Re: Piece of Junk Geo I am beginning to hate these things....

ALLwires connected and solid, tried using diagnostic mode and nothing at all no flashing light nuffin, i am really running out of ideas and patience (especially seince a put a new clutch in 500miles ago and it ran perfect for awhile so i dont know what to do now i am stumped anyway any more opionions are acepted, and does anybody have a wiring diagram for the enginebay/interior (basically complete diagram) so that way i can start testing more stuff on it oh and forgot to mention that earlier i checked the positive power on the injector and its good but no pulseation so i really dunno, and the relays are fine and connected fine
Reply With Quote
  #4  
Old 12-01-2006, 06:35 AM
99Metro 99Metro is offline
AF Newbie
 
Join Date: Aug 2006
Posts: 36
Thanks: 0
Thanked 0 Times in 0 Posts
Re: Piece of Junk Geo I am beginning to hate these things....

I would check the fuses to the ECM, and all connections associated with it. I would use an ohm-meter to verify the fuses being bad/good and that they are where they should be. It seems like no power to the ECM to me which may be why you have no spark, fuel, or anything. You may just need to take it in - might be worth it to save your job AND have reliable transportation. It just may cost less than you think...but who knows
Reply With Quote
  #5  
Old 12-01-2006, 11:58 AM
lilrogue78 lilrogue78 is offline
AF Regular
Thread starter
 
Join Date: Oct 2005
Posts: 155
Thanks: 0
Thanked 0 Times in 0 Posts
Re: Piece of Junk Geo I am beginning to hate these things....

i checked all power into the ecm and i am not getting power out it seems like but i need a diagram to see which wires should be hot and what ones not and what ones have power going out of and yes all fuses are good i check that about 6 times now
Reply With Quote
  #6  
Old 12-01-2006, 05:45 PM
Metro Mighty Mouse's Avatar
Metro Mighty Mouse Metro Mighty Mouse is offline
AF Regular
 
Join Date: Jun 2005
Posts: 272
Thanks: 1
Thanked 3 Times in 3 Posts
Re: Piece of Junk Geo I am beginning to hate these things....

if you are getting power into the ecm and nothing out, then it most likely fried the ecm when your motor dropped. I would check for any shorts on wires that were stretched when the motor fell and if they all check out install a replacement ecm from a junk yard, just verify it has the same letter as the one in your car.
__________________
Reply With Quote
  #7  
Old 12-01-2006, 05:46 PM
frets14 frets14 is offline
AF Newbie
 
Join Date: Dec 2004
Posts: 98
Thanks: 0
Thanked 0 Times in 0 Posts
Re: Piece of Junk Geo I am beginning to hate these things....

I was wondering how you checked the timing belt. Did you remove the distributor cap and observe the rotor turning while cranking the engine?
Reply With Quote
  #8  
Old 12-02-2006, 03:00 AM
lilrogue78 lilrogue78 is offline
AF Regular
Thread starter
 
Join Date: Oct 2005
Posts: 155
Thanks: 0
Thanked 0 Times in 0 Posts
Re: Piece of Junk Geo I am beginning to hate these things....

yea i will out a new ecm in tomarrow thats what i thought the problem would be, and yea i pulled the distributer cap to check it and then i pulled the timing cover to double check
Reply With Quote
  #9  
Old 12-03-2006, 02:40 AM
lilrogue78 lilrogue78 is offline
AF Regular
Thread starter
 
Join Date: Oct 2005
Posts: 155
Thanks: 0
Thanked 0 Times in 0 Posts
Re: Piece of Junk Geo I am beginning to hate these things....

well the geo is sitting outside as of now it done pissed me off and untill i figure somthing out i guess i am not gonna be driving it... has anybody else had one of these issues and not been able to figure it out? if so let me know and we will compare problems and maybe solve the mystery of the "Dead Ghetro" )(yes Ghetro) mix of Ghetto, Metro, and Geo
Reply With Quote
  #10  
Old 12-03-2006, 12:04 PM
mostly_water mostly_water is offline
AF Newbie
 
Join Date: Jan 2006
Posts: 31
Thanks: 0
Thanked 0 Times in 0 Posts
Re: Piece of Junk Geo I am beginning to hate these things....

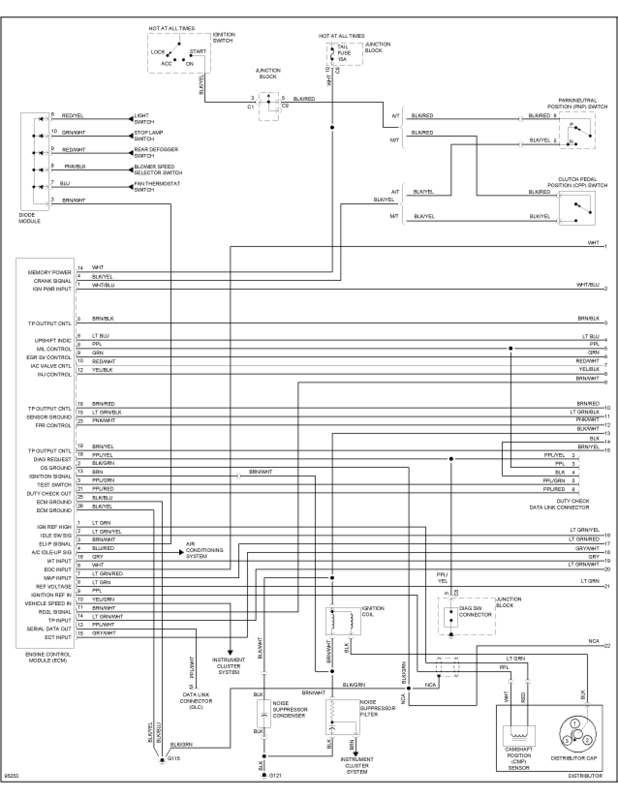
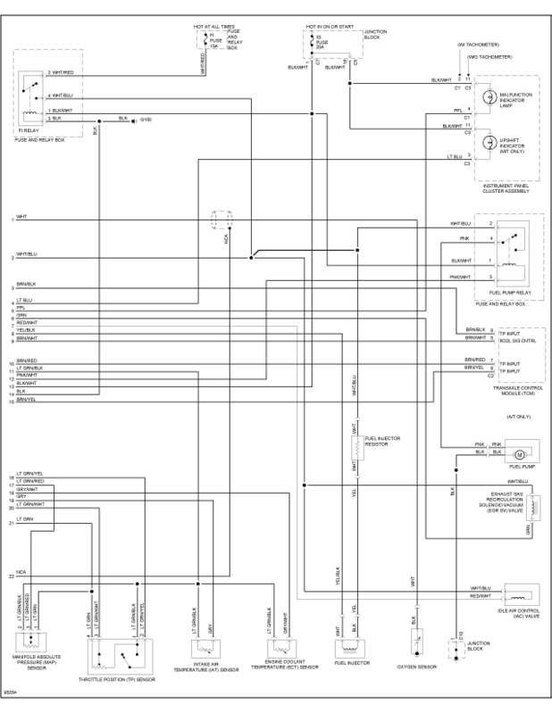
Here is a diagram I have for my '94 ECM.
I'm waiting for an email back from someone with a '92.


Engine Controls Page1 Engine Controls Page2

Reply With Quote
 
Reply

POST REPLY TO THIS THREAD

Go Back   Automotive Forums Car Chat > Geo > Metro


Posting Rules
You may not post new threads
You may not post replies
You may not post attachments
You may not edit your posts

BB code is On
Smilies are On
[IMG] code is On
HTML code is Off



All times are GMT -5. The time now is 09:32 AM.

Community Participation Guidelines | How to use your User Control Panel

Powered by: vBulletin | Copyright Jelsoft Enterprises Ltd.
 
 
no new posts