Automotive Forums .com - the leading automotive community online! Automotive Forums .com - the leading automotive community online!
Automotive Forums .com - the leading automotive community online! 
-
Latest | 0 Rplys

Stop Feeding Overpriced Junk to Your Dogs!

GET HEALTHY AFFORDABLE DOG FOOD
DEVELOPED BY THE AUTOMOTIVEFORUMS.COM FOUNDER & THE TOP AMERICAN BULLDOG BREEDER IN THE WORLD THROUGH DECADES OF EXPERIENCE. WE KNOW DOGS.
CONSUMED BY HUNDREDS OF GRAND FUTURE AMERICAN BULLDOGS FOR YEARS.
NOW AVAILABLE TO THE GENERAL PUBLIC FOR THE FIRST TIME
PROPER NUTRITION FOR ALL BREEDS & AGES
TRY GRAND FUTURE AIR DRIED BEEF DOG FOOD
Go Back   Automotive Forums .com Car Chat > Jeep > Cherokee
Register FAQ Community Arcade Calendar
Reply Show Printable Version Show Printable Version | Email this Page Email this Page | Subscription Subscribe to this Thread
 
Thread Tools
Old 05-31-2005, 10:02 PM   #1
keeponjeepin
AF Newbie
 
Join Date: Apr 2005
Location: Laguna Niguel, California
Posts: 15
Thanks: 0
Thanked 0 Times in 0 Posts
87 cherokee power mirror wiring diagram?

Hello everyone,
I have a 1987 Jeep Cherokee Laredo and i just picked up some power mirrors from the junk yard, and i took all the wiring from the switch, including the switch itself and i would like to know if anyone has a wiring diagram for the power mirrors? I have power windows, and locks. But im not sure if that will help?
I appreciate it. thanks
keeponjeepin is offline   Reply With Quote
Old 06-01-2005, 02:04 PM   #2
JDPascal
AF Enthusiast
 
Join Date: May 2004
Location: Central Alberta
Posts: 1,205
Thanks: 0
Thanked 0 Times in 0 Posts
Re: 87 cherokee power mirror wiring diagram?

The stock power source is the dome lite fuse but you should be alright taking a power tap off of the power door lock or power windows.

Do you still need to know the connections from switch to each of the mirrors????

I can list them if you need them

JD
JDPascal is offline   Reply With Quote
Old 06-01-2005, 08:10 PM   #3
keeponjeepin
AF Newbie
Thread starter
 
Join Date: Apr 2005
Location: Laguna Niguel, California
Posts: 15
Thanks: 0
Thanked 0 Times in 0 Posts
Re: Re: 87 cherokee power mirror wiring diagram?

Yes, that would be most helpfull.
Thankx
keeponjeepin is offline   Reply With Quote
Old 06-07-2005, 09:21 PM   #4
JDPascal
AF Enthusiast
 
Join Date: May 2004
Location: Central Alberta
Posts: 1,205
Thanks: 0
Thanked 0 Times in 0 Posts
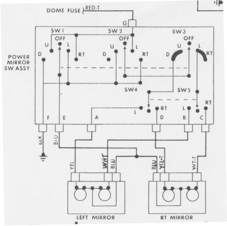
Re: 87 cherokee power mirror wiring diagram?

JDPascal is offline   Reply With Quote
 
Reply

POST REPLY TO THIS THREAD

Go Back   Automotive Forums .com Car Chat > Jeep > Cherokee


Posting Rules
You may not post new threads
You may not post replies
You may not post attachments
You may not edit your posts

BB code is On
Smilies are On
[IMG] code is On
HTML code is Off



All times are GMT -5. The time now is 08:58 AM.

Community Participation Guidelines | How to use your User Control Panel

Powered by: vBulletin | Copyright Jelsoft Enterprises Ltd.
 
 
no new posts