Automotive Forums .com - the leading automotive community online! Automotive Forums .com - the leading automotive community online!
Automotive Forums .com - the leading automotive community online! 
-
Latest | 0 Rplys

Stop Feeding Overpriced Junk to Your Dogs!

GET HEALTHY AFFORDABLE DOG FOOD
DEVELOPED BY THE AUTOMOTIVEFORUMS.COM FOUNDER & THE TOP AMERICAN BULLDOG BREEDER IN THE WORLD THROUGH DECADES OF EXPERIENCE. WE KNOW DOGS.
CONSUMED BY HUNDREDS OF GRAND FUTURE AMERICAN BULLDOGS FOR YEARS.
NOW AVAILABLE TO THE GENERAL PUBLIC FOR THE FIRST TIME
PROPER NUTRITION FOR ALL BREEDS & AGES
TRY GRAND FUTURE AIR DRIED BEEF DOG FOOD
Go Back   Automotive Forums .com Car Chat > Chevrolet > Venture
Register FAQ Community Arcade Calendar
Reply Show Printable Version Show Printable Version | Email this Page Email this Page | Subscription Subscribe to this Thread
 
Thread Tools
Old 09-23-2017, 09:59 PM   #1
Heerzjohnee
AF Newbie
 
Join Date: Sep 2017
Location: Logan, Utah
Posts: 1
Thanks: 0
Thanked 0 Times in 0 Posts
1999 Chevy Venture Left Front turn inop

the left front turn signal is not working on my 1999 chevy venture. I have replaced both rear tail light assemblies and both right & left front turn sockets. The left front is not getting power from the "under hood" fuse box but I can apply power at the bottom side of the fuse box at the blue wire for the left front turn signal and it will light up. the issue seems to lie somewhere in the wiring in the dash but with out schematics and knowing which harnesses to unplug and check I'm at a loss. Any help would be very appreciated !
Heerzjohnee is offline   Reply With Quote
Old 09-24-2017, 10:00 AM   #2
Blue Bowtie
Registered Offender
 
Blue Bowtie's Avatar
 
Join Date: Mar 2006
Location: Rural
Posts: 6,562
Thanks: 8
Thanked 346 Times in 341 Posts
Re: 1999 Chevy Venture Left Front turn inop

Is the power for the LF signal circuit present at the multifunction switch?
__________________
Permanent seat assignment on the Group W bench...
Automotive Forums Survival Guide
Blue Bowtie is offline   Reply With Quote
Old 09-24-2017, 10:20 AM   #3
Blue Bowtie
Registered Offender
 
Blue Bowtie's Avatar
 
Join Date: Mar 2006
Location: Rural
Posts: 6,562
Thanks: 8
Thanked 346 Times in 341 Posts
Re: 1999 Chevy Venture Left Front turn inop

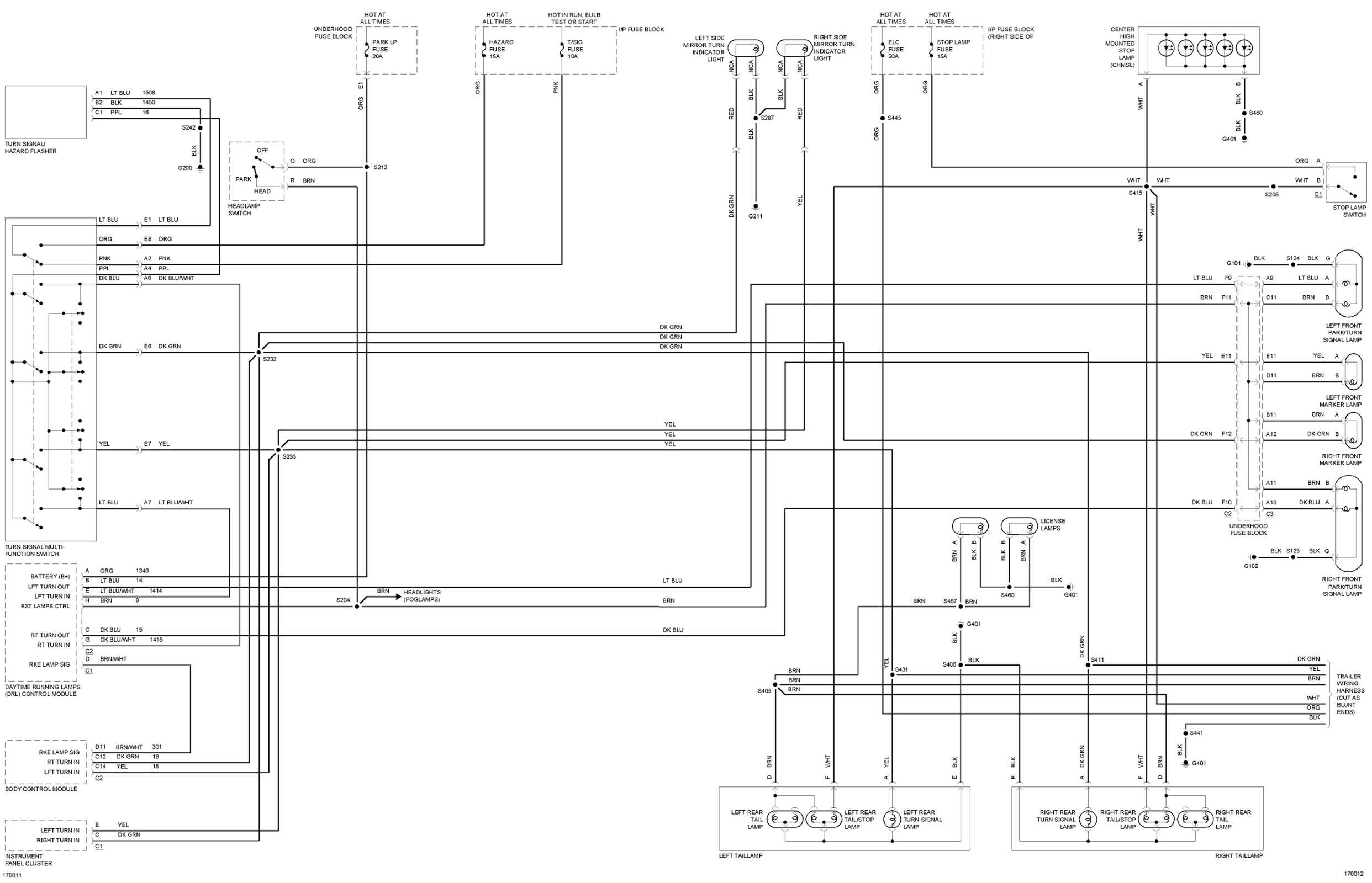
Perhaps this will help:

__________________
Permanent seat assignment on the Group W bench...
Automotive Forums Survival Guide
Blue Bowtie is offline   Reply With Quote
The Following User Says Thank You to Blue Bowtie For This Useful Post:
Tech II (09-25-2017)
Old 09-25-2017, 07:56 PM   #4
Tech II
AF Fanatic
 
Join Date: Jul 2011
Location: Worcester, Massachusetts
Posts: 5,017
Thanks: 70
Thanked 618 Times in 610 Posts
Re: 1999 Chevy Venture Left Front turn inop

Can always count on Blue for a schematic.......power comes from the same source, the hazard flasher, so since the right side works, nothing wrong with the flasher.....

So what you need to do is get to the DRL module.......

Turn on left directional, and check for power, with a test light, at terminal E, lt blu/wht, circuit #1414.....if no power, you need a multifunction switch...if you have power, check for power out of the module at terminal B, lt blu, circuit#14....no power, need module...if you have power, then you have to go to the underhood fuse block....the input to the fuse block is terminal F9 at connector, C2......check for power in...if you have power in and since you already know you don't have power out at terminal A9, at connector , C3, then the problem is the connection in the fuse block.....if that's the case, when you remove the cover to the fuse block, you will see three silver colored screw/bolts...they are sometimes allen or torx...tighten all three and recheck.....if that doesn't fix it, you can run a jumper wire from the input wire to the output wire...solder the joints....
Tech II is offline   Reply With Quote
 
Reply

POST REPLY TO THIS THREAD

Go Back   Automotive Forums .com Car Chat > Chevrolet > Venture


Posting Rules
You may not post new threads
You may not post replies
You may not post attachments
You may not edit your posts

BB code is On
Smilies are On
[IMG] code is On
HTML code is Off



All times are GMT -5. The time now is 11:52 AM.

Community Participation Guidelines | How to use your User Control Panel

Powered by: vBulletin | Copyright Jelsoft Enterprises Ltd.
 
 
no new posts