-
Grand Future Air Dried Fresh Beef Dog Food
Air Dried Dog Food | Fresh Beef

Carnivore Diet for Dogs

Go Back   Automotive Forums Car Chat > Buick > LeSabre
Register FAQ Community
Reply Show Printable Version Show Printable Version | Subscription Subscribe to this Thread
 
Thread Tools
  #1  
Old 08-07-2014, 05:29 PM
CarDude225's Avatar
CarDude225 CarDude225 is offline
AF Regular
 
Join Date: Nov 2006
Posts: 107
Thanks: 7
Thanked 0 Times in 0 Posts
Courtesy Lights Stay ON & Run Battery Dead

Several times now I have found that the courtesy lights stay ON after all the doors are closed, and the dash switch is indeed off. This has caused the battery to drain.

I have opened and closed all doors numerous times and the light won't go off. I can't seem to find where the door switches are so that I can inspect them.

The last time this happened I was forced to remove the fuse, then the next day I put the fuse back in and the lights operated correctly.

What could be going on here & how to fix? THANKS
__________________
*1995 Buick LeSabre Custom 3800 Series I V6 - Wife's car
Reply With Quote
  #2  
Old 08-07-2014, 08:24 PM
Tech II Tech II is offline
AF Fanatic
 
Join Date: Jul 2011
Posts: 5,017
Thanks: 70
Thanked 618 Times in 610 Posts
Re: Courtesy Lights Stay ON & Run Battery Dead

You don't say what year.....

But I believe the door switches are part of the latch assembly....a GM scan tool might show(depending on year) which is staying closed...
Reply With Quote
  #3  
Old 08-08-2014, 11:41 AM
CarDude225's Avatar
CarDude225 CarDude225 is offline
AF Regular
Thread starter
 
Join Date: Nov 2006
Posts: 107
Thanks: 7
Thanked 0 Times in 0 Posts
Re: Courtesy Lights Stay ON & Run Battery Dead

It is a 95 LeSabre custom.

Do these cars have a courtesy lighting control module? Or are the courtesy lights strickly driven by door switches and the one dash switch?
__________________
*1995 Buick LeSabre Custom 3800 Series I V6 - Wife's car
Reply With Quote
  #4  
Old 08-08-2014, 02:36 PM
Tech II Tech II is offline
AF Fanatic
 
Join Date: Jul 2011
Posts: 5,017
Thanks: 70
Thanked 618 Times in 610 Posts
Re: Courtesy Lights Stay ON & Run Battery Dead

Looking at a '96 manual, I see a MALL module...multifunction alarm, lock, and lighting module.....each door actually has two switches....one is in the latch assembly, which is activated when the door opens...the other is a handle switch, which will activate the interior lights, if the doors are locked, but the handle is lifted.....the other switch inputs are from the headlight switch, and from the RFA module....
Reply With Quote
  #5  
Old 08-11-2014, 08:14 AM
CarDude225's Avatar
CarDude225 CarDude225 is offline
AF Regular
Thread starter
 
Join Date: Nov 2006
Posts: 107
Thanks: 7
Thanked 0 Times in 0 Posts
Re: Courtesy Lights Stay ON & Run Battery Dead

Thank you.

Well it is all a bit confusing. I cannot make heads or tails of what the module is called for my 95 LeSabre, or where it is located. I've seen MALL for 97, RAC for 92, and BCM for 96 (I think). They seem to be in different places.
__________________
*1995 Buick LeSabre Custom 3800 Series I V6 - Wife's car
Reply With Quote
  #6  
Old 08-11-2014, 05:32 PM
Tech II Tech II is offline
AF Fanatic
 
Join Date: Jul 2011
Posts: 5,017
Thanks: 70
Thanked 618 Times in 610 Posts
Re: Courtesy Lights Stay ON & Run Battery Dead

Sorry, only have schematic for '96.....I think you mean RAP(retained accessory power) rather than RAC module?
Reply With Quote
  #7  
Old 08-11-2014, 08:11 PM
Blue Bowtie's Avatar
Blue Bowtie Blue Bowtie is offline
Registered Offender
 
Join Date: Mar 2006
Posts: 6,565
Thanks: 8
Thanked 346 Times in 341 Posts
Re: Courtesy Lights Stay ON & Run Battery Dead

Dumb question, but is the panel interior lamp dimmer slid all the way to the left? That will keep the interior lights on.

1995 uses an interior lamp relay (Relay F) in the relay center just to the right of the glove compartment. It is controlled by the RAC, mounted just below that relay center. The chime module is also located there, so try to identify the module by the connector with ten wires (2 X 5). If you disconnect that module and the lamps remain on, it is likely that one of the door handle switches is stuck closed or its wire is grounded somewhere.
__________________
Permanent seat assignment on the Group W bench...
Automotive Forums Survival Guide
Reply With Quote
  #8  
Old 08-11-2014, 09:54 PM
CarDude225's Avatar
CarDude225 CarDude225 is offline
AF Regular
Thread starter
 
Join Date: Nov 2006
Posts: 107
Thanks: 7
Thanked 0 Times in 0 Posts
Re: Courtesy Lights Stay ON & Run Battery Dead

Thank you very much for this information. The interior lamp dimmer is slid to the point just before triggering the courtesy lights.

With laptop by my side, I got inside the dash and located the components. I pulled the lighting relay and the lights went out. I located a module with the following descriptions on it:
25615094
Model ABO0303R
White connector
blue connector

Google ABO0303R = Keyless Entry Receiver
Google 25615094 = Body Control Module

When I pulled the white connector, the courtesy lights went out. I plugged the white back in. When I pulled the blue connector, nothing seemed to happen with the lights.

I opened the module and inspected both sides of the circuit board, and it looks clean, but I am aware that components can sometimes fail at the microscopic level. I put it all back together and reconnected it. Now it works properly, but this has happened before. It seems to work then not work (lights stay on all the time) intermittently.

During my tests tonight, I now realize that there is a delay such that once all the doors are shut, it is about 30 seconds or so before the courtesy lights go out (it is my wife's car - I never ever drive it). I think I made some false assumptions before when shutting all doors and the light wouldn't immediately go out.

I'm not sure if this exercise proved anything. I am trying to locate a pinout of this module so if I feel it is necessary, I can possibly cut into the door switch wires one at a time at the module, to confirm if I have a short. I can easily solder the wires back together. This (to me) sure beats pulling door panels off. If anyone can help me locate a wiring diagram for a 95 LeSabre RAC/BCM I'd really appreciate it.
__________________
*1995 Buick LeSabre Custom 3800 Series I V6 - Wife's car

Last edited by CarDude225; 08-11-2014 at 10:25 PM.
Reply With Quote
  #9  
Old 08-12-2014, 08:51 AM
CarDude225's Avatar
CarDude225 CarDude225 is offline
AF Regular
Thread starter
 
Join Date: Nov 2006
Posts: 107
Thanks: 7
Thanked 0 Times in 0 Posts
Re: Courtesy Lights Stay ON & Run Battery Dead

I went out to the car this morning, opened a door, closed it, and the light did not go out after a few minutes. I am convinced it is a fault in the BCM so I just ordered a replacement from Ebay.
__________________
*1995 Buick LeSabre Custom 3800 Series I V6 - Wife's car
Reply With Quote
  #10  
Old 08-22-2014, 06:11 AM
CarDude225's Avatar
CarDude225 CarDude225 is offline
AF Regular
Thread starter
 
Join Date: Nov 2006
Posts: 107
Thanks: 7
Thanked 0 Times in 0 Posts
Re: Courtesy Lights Stay ON & Run Battery Dead

I finally received a replacement BCM, installed it, and re-associated the keyless remote to it. The same anomaly is still happening.

Even with both connectors of the BCM disconnected, I could turn on the dash courtesy light switch, turn it off, and the lights may or may stay on. So let's say they stay on: When I pulled the courtesy light relay, the lights go off. Then plug it back in, the lights remain off - huh?! I took apart the relay but couldn't detect a fault in it. I swapped relays and the same thing happens sometimes.

This is maddening. I cannot find rhyme or reason what is causing my courtesy lights to stay on. It is not in the BCM and it is not in the relay.

Could I have a "faint" short to ground in one of the door switch or dash switch circuits which is keeping the relay engaged, yet not able to re-engage it once disengaged?

I really need a wiring diagram for this but cannot seem to find it (95 LeSabre). Where do all the door switch wires & dashboard switch wires join at? I'm guessing they do not join inside the BCM. So where do they join? I'd like to separate them (cut them) one at a time and see if I can detect which switch may be shorted to ground.

EDIT: My new theory is this: Since I believe that a ground is what engages the courtesy light relay (unsure), then when the dash switch is closed, I'm guessing it is providing ground, and when the doors are open, I believe the BCM must be outputting a ground to the courtesy light relay. So at some point, the dash wire and the BCM output must join together (right?) before going to the courtesy light relay. Therefore, I believe I have a faulty dash switch, or chaffed/grounded wiring between dash switch and relay, or chaffed/grounded wiring between BCM and relay. If I could find where the dash switch wire and the BCM wire come together, I could separate them and test. I don't think the problem is in my door switches simply because when I disconnect the BCM, and use the dash switch to turn on the lights, when I turn off the dash switch, the lights stay on (sometimes). To me something is chaffed and moderately grounding out.

Where do the dash wire and BCM wire join what colors are they?
__________________
*1995 Buick LeSabre Custom 3800 Series I V6 - Wife's car

Last edited by CarDude225; 08-22-2014 at 07:59 AM.
Reply With Quote
  #11  
Old 08-22-2014, 08:17 AM
Tech II Tech II is offline
AF Fanatic
 
Join Date: Jul 2011
Posts: 5,017
Thanks: 70
Thanked 618 Times in 610 Posts
Re: Courtesy Lights Stay ON & Run Battery Dead

As I said before, I don't think the BCM has anything to do with this.....it's the MALL module.....go to any Buick dealership......they can copy pages from the manual for you.....may charge you some money for the printing......

Once you have the schematic, and you see the inputs to the MALL, you can disconnect the harness and check for a ground from the door inputs.....unfortunately, the driver's door is a single input, while the other three are in parallel.....hopefully it's the driver circuit.....otherwise, you will have to separate the soldered joint to check which of the the three other doors is the culprit....OR, you will have to remove the three door panels, one at a time, and disconnect each switch, and see if the ground is gone....
Reply With Quote
  #12  
Old 08-22-2014, 08:38 AM
CarDude225's Avatar
CarDude225 CarDude225 is offline
AF Regular
Thread starter
 
Join Date: Nov 2006
Posts: 107
Thanks: 7
Thanked 0 Times in 0 Posts
Re: Courtesy Lights Stay ON & Run Battery Dead

From what I can tell, the MALL in newer model cars is essentially the BCM in older model cars. MALL and BCM are essentially the same thing. The problem is not in my BCM/MALL. And I don't believe the problem is with my door switches.

I need to find where the dash switch wire and the BCM output are joined (which powers the courtesy light relay), and what colors the wires are.
__________________
*1995 Buick LeSabre Custom 3800 Series I V6 - Wife's car
Reply With Quote
  #13  
Old 08-25-2014, 05:51 PM
CarDude225's Avatar
CarDude225 CarDude225 is offline
AF Regular
Thread starter
 
Join Date: Nov 2006
Posts: 107
Thanks: 7
Thanked 0 Times in 0 Posts
Re: Courtesy Lights Stay ON & Run Battery Dead

I may be ghost-talking here but if only it helps someone in the future who has a similar problem in this ever-thinning fleet of 95 LeSabres, then it was well worth it.

I have found that one sure way to keep the courtesy lights from staying on is to pull the courtesy light relay (relay F) (obvious).

I also took note of the wires going into the BCM. There are 2 plugs, a blue plug and a white plug. The blue plug has 8 wires and seems to affect keyless remote & of course the locks. The white plug, however, directly affects the courtesy lights.

The white plug has 5 wires:
black
blue
blue
pink
orange

It is my belief that the BCM delivers ground to the courtesy light relay through one of these wires. And, at some point this wire couples with a wire coming from the dash courtesy light switch at which point it connects to the relay.

One day I'll get to the bottom of this mystery. For now, no courtesy lights.

And for a little comic relief: My wife and daughter have been having the habit of popping the trunk, unaware to them, and leaving it unlatched for hours on end until one of us discovers it. Perhaps the aftermarket keyless remote is partially to blame. Nonetheless, this too has been causing the battery to run down. I have finally disconnected the trunk light due to this ongoing risk of them getting stranded.
__________________
*1995 Buick LeSabre Custom 3800 Series I V6 - Wife's car
Reply With Quote
  #14  
Old 08-26-2014, 03:50 AM
Blue Bowtie's Avatar
Blue Bowtie Blue Bowtie is offline
Registered Offender
 
Join Date: Mar 2006
Posts: 6,565
Thanks: 8
Thanked 346 Times in 341 Posts
Re: Courtesy Lights Stay ON & Run Battery Dead

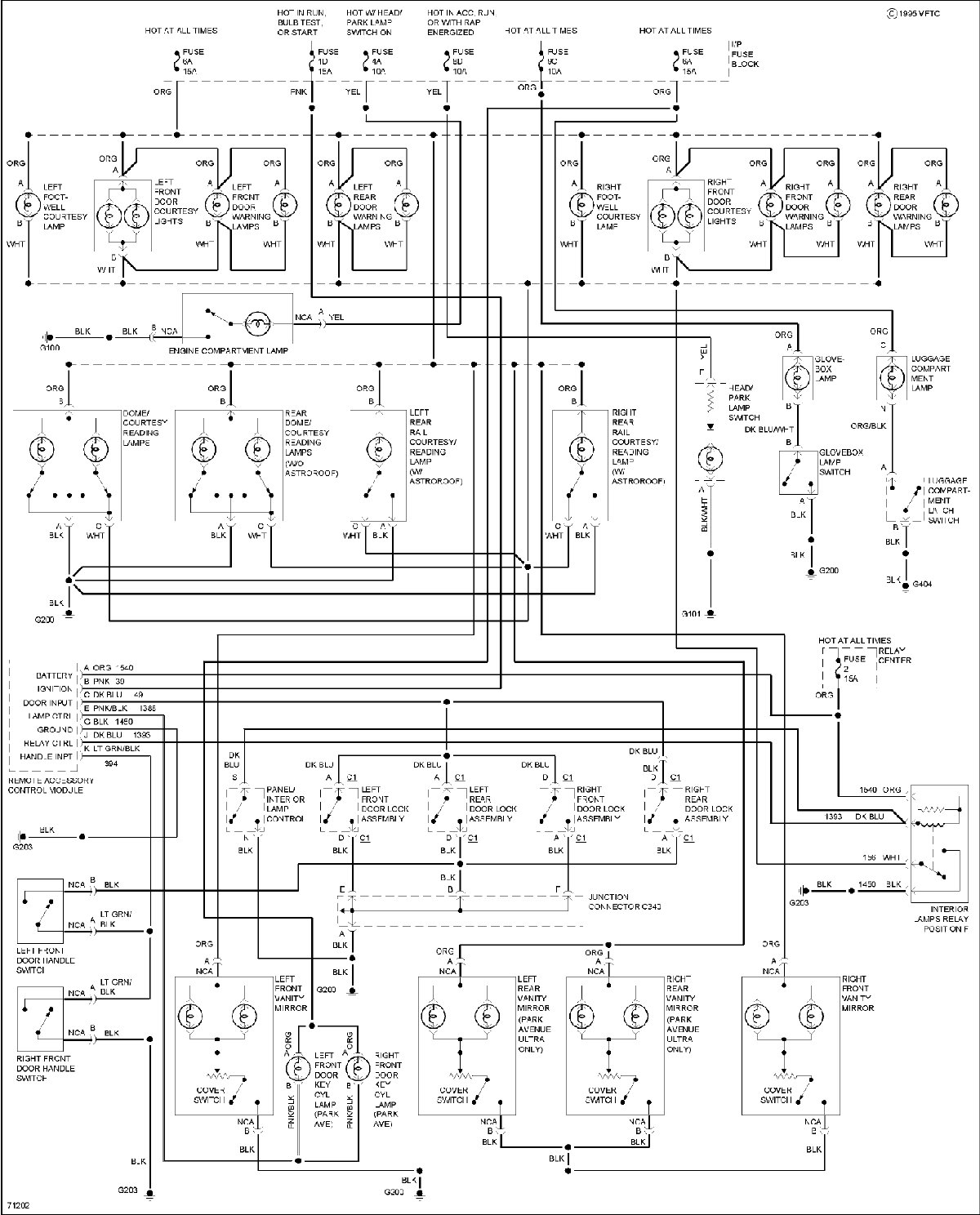
As stated previously, the vehicle uses an RAC module, not a MALL. In addition to door jamb switch inputs on Pin C, there are door HANDLE switch inputs on Pin K. This might help:

__________________
Permanent seat assignment on the Group W bench...
Automotive Forums Survival Guide

Last edited by Blue Bowtie; 08-27-2014 at 04:00 PM. Reason: UPDATED DIAGRAM
Reply With Quote
  #15  
Old 08-26-2014, 10:13 PM
happydog500 happydog500 is offline
AF Enthusiast
 
Join Date: Sep 2004
Posts: 764
Thanks: 0
Thanked 4 Times in 4 Posts
Re: Courtesy Lights Stay ON & Run Battery Dead

I went through the same thing as you did. It is easy to find the problem.
Mine ended up being the switch (the one you push to make the lights go on and off.

I'ts easy, because there is a procedure you can do. It puts it into diagnostics mode for that problem. I will look and see what you do. It's like you turn a switch on and off 6 times, push this and then push that twice.
When in diagnostics mode, you hear the ding, ding, and as you open up each door, if it keep dinging, it's not it. I went through all the doors, nothing. I went to the light switch, it showed it was the problem. I changed it, and it fixed it.

One thing that made me mad was, I went to the dealer and they said it could cost thousands to "go through the wiring."

I put it in diagnostic mode and had the problem figured out in a few minutes.

I will post back when I can find it in the manual. Funny thing, I bought a new BCM and it wasn't it. I still have it, brand new. Wish I could of sold it to you.

Chris.
__________________
1998 Buick Park Avenue (best car GM ever made)
Buick Lesabre 1997, 191,000
152,000 - Motor R.I.P.
Used 111,000 Motor, All New Gaskets
Used 102,000 Transmission - SOLD
New Balance 662
Trek 8000
Reply With Quote
 
Reply

POST REPLY TO THIS THREAD

Go Back   Automotive Forums Car Chat > Buick > LeSabre


Posting Rules
You may not post new threads
You may not post replies
You may not post attachments
You may not edit your posts

BB code is On
Smilies are On
[IMG] code is On
HTML code is Off



All times are GMT -5. The time now is 08:58 PM.

Community Participation Guidelines | How to use your User Control Panel

Powered by: vBulletin | Copyright Jelsoft Enterprises Ltd.
 
 
no new posts