-
Grand Future Air Dried Fresh Beef Dog Food
Air Dried Dog Food | Fresh Beef

Carnivore Diet for Dogs

Go Back   Automotive Forums Car Chat > Pontiac > Grand AM
Register FAQ Community
Reply Show Printable Version Show Printable Version | Subscription Subscribe to this Thread
 
Thread Tools
  #1  
Old 11-17-2012, 09:09 PM
gmbwrenchn gmbwrenchn is offline
AF Regular
 
Join Date: Nov 2003
Posts: 289
Thanks: 1
Thanked 0 Times in 0 Posts
95 GA Dome light schematic

Does anyone have a schematic of the dome light for this car? Thanks
Reply With Quote
  #2  
Old 12-17-2012, 07:55 PM
xeroinfinity's Avatar
xeroinfinity xeroinfinity is offline
out saving the world
 
Join Date: Jul 2005
Posts: 10,707
Thanks: 8
Thanked 18 Times in 18 Posts
Re: 95 GA Dome light schematic

Welcome to AF !

What are you needing this for ?

Their are not that many wires up there, a hot and a ground. With a volt meter or a test light, you can resolve which is which.
__________________
1999 Grand Am SS 3.4 OHV
Reply With Quote
  #3  
Old 05-18-2013, 11:49 PM
gmbwrenchn gmbwrenchn is offline
AF Regular
Thread starter
 
Join Date: Nov 2003
Posts: 289
Thanks: 1
Thanked 0 Times in 0 Posts
Re: 95 GA Dome light schematic

Issue I've had is the dome light stays on all the time. Any ideas? Door switch? Dome light dimmer switch? This car does NOT have a plunger type switch in the door jamb. What's the most common. Thanks.
Reply With Quote
  #4  
Old 05-19-2013, 09:32 AM
Tech II Tech II is offline
AF Fanatic
 
Join Date: Jul 2011
Posts: 5,017
Thanks: 70
Thanked 618 Times in 610 Posts
Re: 95 GA Dome light schematic

Is only the dome light on, but the interior footwell lights are off?
Reply With Quote
  #5  
Old 05-21-2013, 08:04 PM
gmbwrenchn gmbwrenchn is offline
AF Regular
Thread starter
 
Join Date: Nov 2003
Posts: 289
Thanks: 1
Thanked 0 Times in 0 Posts
Re: 95 GA Dome light schematic

No they stay on as well, thanks.
Reply With Quote
  #6  
Old 05-21-2013, 08:24 PM
Tech II Tech II is offline
AF Fanatic
 
Join Date: Jul 2011
Posts: 5,017
Thanks: 70
Thanked 618 Times in 610 Posts
Re: 95 GA Dome light schematic

Well, if all the interior lights are on with the dome, I doubt it has anything to do with the dome light.....what you need is a schematic for the interior lights.....the normal inputs that would turn them on, are the dimmer switch, and any one of the door switches......need a schematic to see if a lamp module or BCM is used by this year vehicle.....
Reply With Quote
  #7  
Old 05-23-2013, 05:14 PM
xeroinfinity's Avatar
xeroinfinity xeroinfinity is offline
out saving the world
 
Join Date: Jul 2005
Posts: 10,707
Thanks: 8
Thanked 18 Times in 18 Posts
Re: 95 GA Dome light schematic

Quote:
Originally Posted by gmbwrenchn View Post
Issue I've had is the dome light stays on all the time. Any ideas? Door switch? Dome light dimmer switch? This car does NOT have a plunger type switch in the door jamb. What's the most common. Thanks.
first you need to check the dimmer switch on the dash, this will/can make your lights stay on if its damaged or stuck in the "ON" position.

Then check the dome light its self and make sure the 3 way switch is not damaged or shorted out. then check the door switches and wiring and contacts on any plugs-ins, they can get corroded and cause problems.

Ive seen these with cracked and shorted wiring between the door to car, they run thru the rubber boot. remove your door panel and you'll see the wires going to the door jar switch.

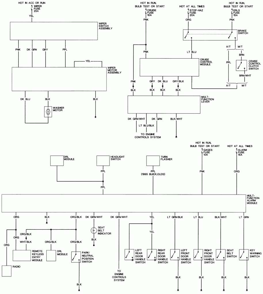
And here is a wire diagram, it might help you test the circuits.

__________________
1999 Grand Am SS 3.4 OHV
Reply With Quote
  #8  
Old 05-26-2013, 08:29 PM
gmbwrenchn gmbwrenchn is offline
AF Regular
Thread starter
 
Join Date: Nov 2003
Posts: 289
Thanks: 1
Thanked 0 Times in 0 Posts
Re: 95 GA Dome light schematic

Thanks for the info and ideas! Appreciate it.
Reply With Quote
 
Reply

POST REPLY TO THIS THREAD

Go Back   Automotive Forums Car Chat > Pontiac > Grand AM


Posting Rules
You may not post new threads
You may not post replies
You may not post attachments
You may not edit your posts

BB code is On
Smilies are On
[IMG] code is On
HTML code is Off



All times are GMT -5. The time now is 08:23 PM.

Community Participation Guidelines | How to use your User Control Panel

Powered by: vBulletin | Copyright Jelsoft Enterprises Ltd.
 
 
no new posts