Automotive Forums .com - the leading automotive community online! Automotive Forums .com - the leading automotive community online!
Automotive Forums .com - the leading automotive community online! 
-
Latest | 0 Rplys

Stop Feeding Overpriced Junk to Your Dogs!

GET HEALTHY AFFORDABLE DOG FOOD
DEVELOPED BY THE AUTOMOTIVEFORUMS.COM FOUNDER & THE TOP AMERICAN BULLDOG BREEDER IN THE WORLD THROUGH DECADES OF EXPERIENCE. WE KNOW DOGS.
CONSUMED BY HUNDREDS OF GRAND FUTURE AMERICAN BULLDOGS FOR YEARS.
NOW AVAILABLE TO THE GENERAL PUBLIC FOR THE FIRST TIME
PROPER NUTRITION FOR ALL BREEDS & AGES
TRY GRAND FUTURE AIR DRIED BEEF DOG FOOD
Go Back   Automotive Forums .com Car Chat > Chevrolet > General Discussion
Register FAQ Community Arcade Calendar
Reply Show Printable Version Show Printable Version | Email this Page Email this Page | Subscription Subscribe to this Thread
 
Thread Tools
Old 05-14-2003, 05:37 PM   #1
Nervy Boy
AF Newbie
 
Join Date: May 2003
Posts: 1
Thanks: 0
Thanked 0 Times in 0 Posts
Programming Keyless Entry for 1999 Chevy Cavalier 2.2L 2Doors

Hi , I have 1999 Chevy Cavalier 2.2L 2Doors , and i lost the remote .
i bought a new one but can you please help me how to programe it to work ?
Nervy Boy is offline   Reply With Quote
Old 05-14-2003, 06:45 PM   #2
Shortbus
Blah blah blah
 
Join Date: Aug 2002
Location: Auburn
Posts: 15,483
Thanks: 3
Thanked 3 Times in 3 Posts
Send a message via AIM to Shortbus
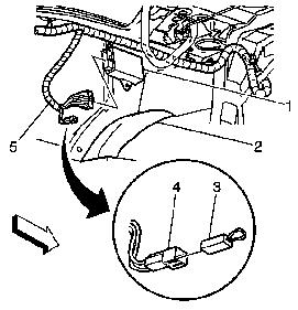
Transmitter Programming
Up to four transmitters may be programmed to one remote control door lock receiver. A transmitter may be programmed to more than one vehicle if the remote keyless entry systems are similar. All of the transmitters (maximum of 4 total per receiver) must be programmed at the same time in order for all of the transmitters to function properly.


Important
Leave a window down in the vehicle while reprogramming the remote control door lock receiver system. The above action will prevent unintentional lock out if the reprogramming procedure is not performed properly.


Turn the ignition to the OFF position.



Jump the 2 terminals located in the program ground connector (4) in order to ground the receiver program terminal. The following conditions indicate that the module is ready to be programmed:
The door locks will lock.
The door locks will unlock.
The rear compartment lid release will cycle.
The horn chirp will sound. The above conditions should occur within 2 seconds.
Press and hold the LOCK and the UNLOCK buttons simultaneously until the following conditions occur:
The door locks lock.
The door locks unlock.
The rear compartment lid release releases.
The horn chirp sounds. The above conditions should occur in approximately 12 seconds. The above conditions verify successful transmitter reprogramming.
Perform the previous step for each of the remaining transmitters.
Remove the jumper at the program connector.
Verify the proper operation of each transmitter.
Shortbus is offline   Reply With Quote
 
Similar Threads
Thread Thread Starter Forum Replies Last Post
Programming Keyless Entry for MAZDA 6 Mazda6ownr 6 7 09-26-2013 05:46 AM
06 Camry LE - How to program keyless entry pshrivas Camry/Camry Hybrid/Vista 0 03-20-2009 03:54 PM
Programing a Keyless Entry for 1999 Saturn jpgroupee SC/SL/SW 1 07-03-2005 01:32 AM
Programming Keyless Entry for 1993 Chevy S-10 Blazer jvh106 General Discussion 2 03-22-2005 10:05 PM
Help program remote keyless entry for 1999 4Runner guicho 4Runner/GX470 1 01-20-2005 03:14 PM

Reply

POST REPLY TO THIS THREAD

Go Back   Automotive Forums .com Car Chat > Chevrolet > General Discussion


Posting Rules
You may not post new threads
You may not post replies
You may not post attachments
You may not edit your posts

BB code is On
Smilies are On
[IMG] code is On
HTML code is Off



All times are GMT -5. The time now is 02:15 AM.

Community Participation Guidelines | How to use your User Control Panel

Powered by: vBulletin | Copyright Jelsoft Enterprises Ltd.
 
 
no new posts