Automotive Forums .com - the leading automotive community online! Automotive Forums .com - the leading automotive community online!
Automotive Forums .com - the leading automotive community online! 
-
Latest | 0 Rplys

Stop Feeding Overpriced Junk to Your Dogs!

GET HEALTHY AFFORDABLE DOG FOOD
DEVELOPED BY THE AUTOMOTIVEFORUMS.COM FOUNDER & THE TOP AMERICAN BULLDOG BREEDER IN THE WORLD THROUGH DECADES OF EXPERIENCE. WE KNOW DOGS.
CONSUMED BY HUNDREDS OF GRAND FUTURE AMERICAN BULLDOGS FOR YEARS.
NOW AVAILABLE TO THE GENERAL PUBLIC FOR THE FIRST TIME
PROPER NUTRITION FOR ALL BREEDS & AGES
TRY GRAND FUTURE AIR DRIED BEEF DOG FOOD
Go Back   Automotive Forums .com Car Chat > Ford > Taurus | Taurus Wagon
Register FAQ Community Arcade Calendar
Reply Show Printable Version Show Printable Version | Email this Page Email this Page | Subscription Subscribe to this Thread
 
Thread Tools
Old 11-15-2008, 06:22 PM   #1
infinity89
AF Newbie
 
Join Date: Oct 2007
Location: Mineral Wells, Texas
Posts: 22
Thanks: 0
Thanked 0 Times in 0 Posts
Question cam sensor installation

I am a chevy guy but my girlfriend has a 1997 ford taurus with a 3.0 soc VIN:U. her step dad replaced the camsensor(not the shaft) just the sensor that screws onto the shaft and has a plug port on it. He reaplced it due to the check engine light being on due to that. Since then the Check engine light has come back on. I work at a GM dealer and there is an ex ford mechanic that works there and has told me that there is a tool to line it up correctly, and thagt the reason the light is still on is because the tool was not used and installed correctly. Since knowing this I have went to Autozone and bought the Dorman schyronizer with the sensor that also comes with the tool. I am planning on using the tool, cleaning it and returning all for a refund since the sensor on it is good. The only problem is that I do not know how to properly use the tool for installation(and it is saturday and I wont be able to talk to the ex ford tech till monday, and would like to get it done ASAP). If anyone knows how use the tool, any help would be Greatly appreciated or if you know a site that shows how or would possibly show. THANKS
__________________
1989 Chevrolet Suburban
350 5.7 TBI
700R4 Tranny
Varsity Enterprises Conversionopcorn:
infinity89 is offline   Reply With Quote
Old 11-15-2008, 07:53 PM   #2
way2old
TOKEN HILLBILLY
 
way2old's Avatar
 
Join Date: Mar 2005
Location: Lexington, Kentucky
Posts: 3,353
Thanks: 1
Thanked 23 Times in 23 Posts
Re: cam sensor installation

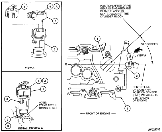
Here is a drawing of the installation. Number 1 is the installation tool. Good luck.

__________________
Being way2old is why I need help from younger minds

The sooner you fall behind the more time you'll have to catch up.
HEY Y'ALL--READ THIS
Here are some of our old vehicles for sale.

way2old is offline   Reply With Quote
Old 11-15-2008, 09:08 PM   #3
infinity89
AF Newbie
Thread starter
 
Join Date: Oct 2007
Location: Mineral Wells, Texas
Posts: 22
Thanks: 0
Thanked 0 Times in 0 Posts
Re: cam sensor installation

Thanks for the diagram? But I still have a few questions as the diagram helps but is in a way vague as in showing how to use the tool. To reset the sensor correctly am I going to need to pull the shaft as well? Or can I just reposition the sensor on top? And how do I realign the sensor correctly using the tool?
__________________
1989 Chevrolet Suburban
350 5.7 TBI
700R4 Tranny
Varsity Enterprises Conversionopcorn:
infinity89 is offline   Reply With Quote
Old 11-16-2008, 11:12 AM   #4
way2old
TOKEN HILLBILLY
 
way2old's Avatar
 
Join Date: Mar 2005
Location: Lexington, Kentucky
Posts: 3,353
Thanks: 1
Thanked 23 Times in 23 Posts
Re: cam sensor installation

You need to pull the shaft and install it like a distributor. The engine needs to have #1 up on compression. Then install the tool on top of syncronizer. The arrow on top of the tool should point to the position shown in diagram after it is seated fully into the camshaft gears.
__________________
Being way2old is why I need help from younger minds

The sooner you fall behind the more time you'll have to catch up.
HEY Y'ALL--READ THIS
Here are some of our old vehicles for sale.

way2old is offline   Reply With Quote
Old 11-23-2008, 08:08 PM   #5
Willyum
AF Enthusiast
 
Join Date: Oct 2003
Posts: 652
Thanks: 0
Thanked 3 Times in 3 Posts
Re: cam sensor installation

Is more information on this @ "Google" then enter 30-S2600 in the window
Willyum is offline   Reply With Quote
 
Reply

POST REPLY TO THIS THREAD

Go Back   Automotive Forums .com Car Chat > Ford > Taurus | Taurus Wagon


Posting Rules
You may not post new threads
You may not post replies
You may not post attachments
You may not edit your posts

BB code is On
Smilies are On
[IMG] code is On
HTML code is Off



All times are GMT -5. The time now is 11:26 PM.

Community Participation Guidelines | How to use your User Control Panel

Powered by: vBulletin | Copyright Jelsoft Enterprises Ltd.
 
 
no new posts