Automotive Forums .com - the leading automotive community online! Automotive Forums .com - the leading automotive community online!
Automotive Forums .com - the leading automotive community online! 
-
Latest | 0 Rplys

Stop Feeding Overpriced Junk to Your Dogs!

GET HEALTHY AFFORDABLE DOG FOOD
DEVELOPED BY THE AUTOMOTIVEFORUMS.COM FOUNDER & THE TOP AMERICAN BULLDOG BREEDER IN THE WORLD THROUGH DECADES OF EXPERIENCE. WE KNOW DOGS.
CONSUMED BY HUNDREDS OF GRAND FUTURE AMERICAN BULLDOGS FOR YEARS.
NOW AVAILABLE TO THE GENERAL PUBLIC FOR THE FIRST TIME
PROPER NUTRITION FOR ALL BREEDS & AGES
TRY GRAND FUTURE AIR DRIED BEEF DOG FOOD
Go Back   Automotive Forums .com Car Chat > Geo > Metro
Register FAQ Community Arcade Calendar
Reply Show Printable Version Show Printable Version | Email this Page Email this Page | Subscription Subscribe to this Thread
 
Thread Tools
Old 04-14-2008, 12:13 AM   #1
inscog
AF Newbie
 
Join Date: Apr 2008
Location: sherwood pk
Posts: 6
Thanks: 0
Thanked 0 Times in 0 Posts
Cool 1998 3 cylinder firefly won't start!

I bought the 98 new. It's a 3cylinder, 5-speed, with 229,000 km on it. It was running like a top until last week. It stopped running at the stop light. No warning. I've since replaced plugs, wires, cap, rotor, coil, crankshaft sensor, complete head (valves were fine), ecm(from wrecker). It has initial spark to the plugs for 1/2 a second, then no spark whatever, so will not run. Any help would be appreciated.
inscog is offline   Reply With Quote
Old 04-14-2008, 09:32 AM   #2
Johnny Mullet
AF Enthusiast
 
Johnny Mullet's Avatar
 
Join Date: Aug 2006
Location: Ashtabula, Ohio
Posts: 968
Thanks: 0
Thanked 0 Times in 0 Posts
Send a message via MSN to Johnny Mullet
Re: 1998 3 cylinder firefly won't start!

Was the timing belt replaced during the complete head repair? If it was re-used, was it put back on running the same direction? Check the timing by removing the cover and checking the marks.
__________________



Johnny Mullet is offline   Reply With Quote
Old 04-14-2008, 02:56 PM   #3
94metroxfi
AF Newbie
 
Join Date: Jul 2007
Location: Dubuque, Iowa
Posts: 69
Thanks: 0
Thanked 0 Times in 0 Posts
Re: 1998 3 cylinder firefly won't start!

Hello,

To me it sounds like you have either a problem with wiring ( ground ) or a problem within the distributor itself.

I assume when you had the head off, you checked the timing belt.

I am thinking your distrubutor is bad.
94metroxfi is offline   Reply With Quote
Old 04-14-2008, 05:26 PM   #4
91Caprice9c1
AF Enthusiast
 
Join Date: Apr 2005
Location: Long Beach, California
Posts: 587
Thanks: 0
Thanked 0 Times in 0 Posts
Re: 1998 3 cylinder firefly won't start!

Johnny Mullet: I haven't seen you around these parts, but you're alright.

inscog: If a bad timing belt is the cause of your no-spark, than you should be able to see that the camshaft is not rotating while the engine cranks by removing the oil fill cap. I tend to agree with Johnny.

It has been my experience, more times than not, that when a metro dies for no apparent reason and there is no spark the problem is with the timing belt/timing pulleys. If you see that your cam isn't spinning, it's time to pull the crap off the front of the motor.

-MechanicMatt
__________________
1996 Caprice 9c1 - Daily Driven Project Car

1993 Geo Metro - Accident

1991 Caprice 9c1 - Destroyed

91Caprice9c1 is offline   Reply With Quote
Old 04-14-2008, 08:54 PM   #5
Johnny Mullet
AF Enthusiast
 
Johnny Mullet's Avatar
 
Join Date: Aug 2006
Location: Ashtabula, Ohio
Posts: 968
Thanks: 0
Thanked 0 Times in 0 Posts
Send a message via MSN to Johnny Mullet
Re: 1998 3 cylinder firefly won't start!

Quote:
Originally Posted by 91Caprice9c1
Johnny Mullet: I haven't seen you around these parts, but you're alright.
I used to offer a lot of support here in the Ford/Mercury/Lincoln departments when I was a dealer tech. I still come here often, but don't reply too much anymore. I replied here because of my recent purchase of a 98 Metro

I was also very active and moderated 2 Ford Forums back a few years ago, but times change opcorn:
__________________



Johnny Mullet is offline   Reply With Quote
Old 04-15-2008, 01:30 AM   #6
inscog
AF Newbie
Thread starter
 
Join Date: Apr 2008
Location: sherwood pk
Posts: 6
Thanks: 0
Thanked 0 Times in 0 Posts
Wink Re: 1998 3 cylinder firefly won't start!

Thanks for all your replys! I have the timing cover off still. I always leave them off till I'm running. I'm not sure why I do that. The belt was(is) good. There was no slack in the belt and the timing marks all lined up before I took the head off. I've also replaced the starter and the battery. The distributor hasn't been replaced other than the cap and rotor, but I took the distributor off my running 94 metro 3 banger and put it in and it wouldn't start. I have also checked the coil on the 94 as well as the resistor and module from the 98 firefly. I guess the next thing a buddy of mine told me tonight was to check for power at the distributor plug. It's too late tonight, but will have to check that tommorrow. I have owned these 3 cyl. cars since 94 and currently own 4 of them. This is the first one to stump me like this. I've taken these cars to california numerous times, so am glad this didn't happen there. I would have been leaving it there.
inscog is offline   Reply With Quote
Old 04-15-2008, 01:34 AM   #7
94metroxfi
AF Newbie
 
Join Date: Jul 2007
Location: Dubuque, Iowa
Posts: 69
Thanks: 0
Thanked 0 Times in 0 Posts
Re: 1998 3 cylinder firefly won't start!

Are/Were you getting spark to all your wires when you initially got spark? If you took a known good distributor then maybe you have a bad ground wire, just like on a battery your car will click until it creates an arc.

Just a thought.
94metroxfi is offline   Reply With Quote
Old 04-15-2008, 03:42 AM   #8
91Caprice9c1
AF Enthusiast
 
Join Date: Apr 2005
Location: Long Beach, California
Posts: 587
Thanks: 0
Thanked 0 Times in 0 Posts
Re: 1998 3 cylinder firefly won't start!

The '94 distributor is not capatible with the '98 powertrain control system. None the less the car should have at least started.

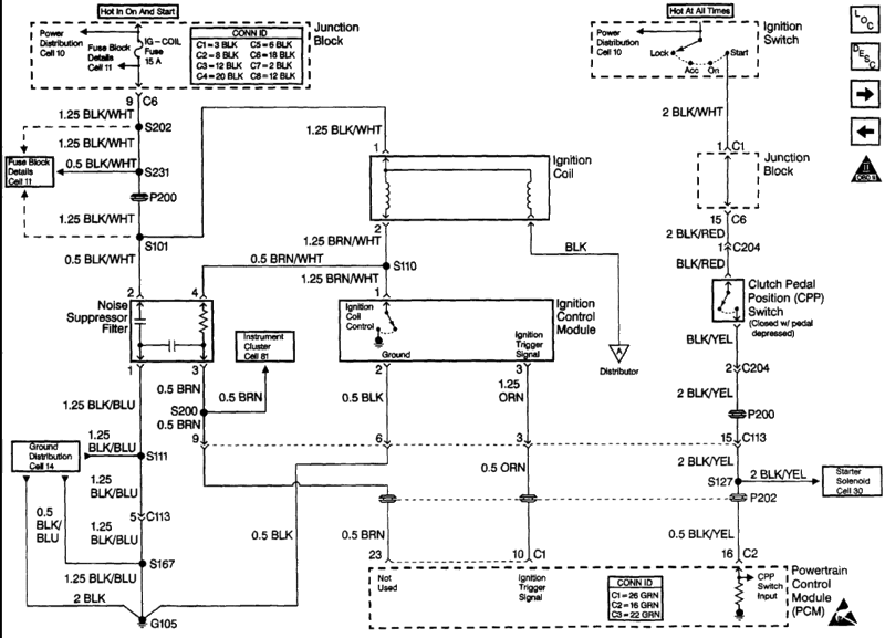
You can rule out the coil by attaching a testlight/voltmeter between the blk/wht and brn/wht coil wires to look for flashing/voltage fluctuation while cranking. Flashing/voltage fluctuation + no spark = bad coil.



If you don't get flash at all verify voltage at the blk/wht coil wire with the key on then my next best guess would be the ignition control module, as they tend to die suddenly, instead of degrade over time. If you don't get voltage from the blk/wht coil wire with the key on you've either got a blown IG fuse or an open circuit.

Also be sure to double check your sensor grounds behind the intake manifold, as this is where the ICM grounds the coil primary circuit.

Goodluck and keep us posted.

-MechanicMatt
__________________
1996 Caprice 9c1 - Daily Driven Project Car

1993 Geo Metro - Accident

1991 Caprice 9c1 - Destroyed

91Caprice9c1 is offline   Reply With Quote
Old 04-15-2008, 06:37 AM   #9
Woodie83
AF Enthusiast
 
Woodie83's Avatar
 
Join Date: Aug 2007
Location: College Park, Maryland
Posts: 573
Thanks: 1
Thanked 4 Times in 4 Posts
Re: 1998 3 cylinder firefly won't start!

I've heard of both the Ignition contol module and the noise suppressor going bad. Your initial spark leads me to believe that this is not the case though. Could be that the crankshaft position sensor is bad, if the PCM doesn't see a crankshaft signal, it gives up on the ignition. If you installed an oil pan gasket, the crank sensor won't work. Also, the crankshaft key that locates the timing belt pulley shears off and the pulley rotates some fun random amount. All timing marks align because they're on the pulley, but the actual timing is way off. Take out plug number one, drop a pencil on the plug hole eraser first, turn the engine by hand until the pencil is at it's highest point. Then look at the ignition timing marks, it should be at 0.
__________________
Woodie

98 Metro and 06 Aerio SX

Don't waste your vote on one or the other of the Republicrats, vote for Gary Johnson and really do something for a change
http://www.garyjohnson2012.com



Last edited by Woodie83; 04-15-2008 at 07:28 PM.
Woodie83 is offline   Reply With Quote
Old 04-15-2008, 07:02 AM   #10
94metroxfi
AF Newbie
 
Join Date: Jul 2007
Location: Dubuque, Iowa
Posts: 69
Thanks: 0
Thanked 0 Times in 0 Posts
Re: 1998 3 cylinder firefly won't start!

Why wouldn't the sensor work if you install an oil pan gasket?
94metroxfi is offline   Reply With Quote
Old 04-15-2008, 11:42 AM   #11
91Caprice9c1
AF Enthusiast
 
Join Date: Apr 2005
Location: Long Beach, California
Posts: 587
Thanks: 0
Thanked 0 Times in 0 Posts
Re: 1998 3 cylinder firefly won't start!

Quote:
Originally Posted by 94metroxfi
Why wouldn't the sensor work if you install an oil pan gasket?
Either the gaskets are too thick, or the sensor grow weak with age but more than a couple examples have been seen here where someone replaces the oil pan gasket, and ends up with a no-start condition. The gasket can create too much of an air gap for the crank sensor to work properly, but when removed and replaced by RTV, car fires right up.

-MechanicMatt
__________________
1996 Caprice 9c1 - Daily Driven Project Car

1993 Geo Metro - Accident

1991 Caprice 9c1 - Destroyed

91Caprice9c1 is offline   Reply With Quote
Old 04-15-2008, 11:45 AM   #12
94metroxfi
AF Newbie
 
Join Date: Jul 2007
Location: Dubuque, Iowa
Posts: 69
Thanks: 0
Thanked 0 Times in 0 Posts
Re: 1998 3 cylinder firefly won't start!

Interesting! I will put that into memory.
94metroxfi is offline   Reply With Quote
Old 04-15-2008, 11:34 PM   #13
inscog
AF Newbie
Thread starter
 
Join Date: Apr 2008
Location: sherwood pk
Posts: 6
Thanks: 0
Thanked 0 Times in 0 Posts
Re: 1998 3 cylinder firefly won't start!

I checked the voltage with the key on, on the 94, at the two wires going to the distributor, when the plug was unhooked. I had voltage on both wires. I checked the voltage on the 98 firefly that doesn't run, and I have no voltage with the key in the run position, at those two wires going to the distributor. I believe the ECM is shot, but I could be wrong. I put one in from the wreckers on sunday, that could be toast. A new one from the dealer is $4,558.00. I priced it out last week. Good thing I was sitting down when he told me that. I don't know what they charge in your neck of the woods, but that's the price where I live. That's too much money for a car that's worth between 1000-1500 here.
inscog is offline   Reply With Quote
Old 04-16-2008, 05:39 AM   #14
Woodie83
AF Enthusiast
 
Woodie83's Avatar
 
Join Date: Aug 2007
Location: College Park, Maryland
Posts: 573
Thanks: 1
Thanked 4 Times in 4 Posts
Re: 1998 3 cylinder firefly won't start!

Woah, steady on now. It's almost definitely not the PCM, they rarely go bad. If it is you can get one from a junkyard for $100.

If there's no voltage at the wires going to the distributor (looks to me like there whould be three, not two) then you've ruled out the ignition control module, try unplugging the noise supressor and check for voltage at both terminals of the coil. You do realize there's a fuse for the ignition, right?
__________________
Woodie

98 Metro and 06 Aerio SX

Don't waste your vote on one or the other of the Republicrats, vote for Gary Johnson and really do something for a change
http://www.garyjohnson2012.com


Woodie83 is offline   Reply With Quote
Old 04-16-2008, 06:28 AM   #15
91Caprice9c1
AF Enthusiast
 
Join Date: Apr 2005
Location: Long Beach, California
Posts: 587
Thanks: 0
Thanked 0 Times in 0 Posts
Re: 1998 3 cylinder firefly won't start!

Quote:
Originally Posted by 91Caprice9c1
If you don't get voltage from the blk/wht coil wire with the key on you've either got a blown IG fuse or an open circuit.
Just to clarify, what I mean by this is: ground the meter to the negative battery terminal and probe the black/white coil wire with the ignition on. You should get battery voltage, if not you've got a blown IG fuse or an open circuit.


-MechanicMatt
__________________
1996 Caprice 9c1 - Daily Driven Project Car

1993 Geo Metro - Accident

1991 Caprice 9c1 - Destroyed

91Caprice9c1 is offline   Reply With Quote
 
Reply

POST REPLY TO THIS THREAD

Go Back   Automotive Forums .com Car Chat > Geo > Metro


Posting Rules
You may not post new threads
You may not post replies
You may not post attachments
You may not edit your posts

BB code is On
Smilies are On
[IMG] code is On
HTML code is Off



All times are GMT -5. The time now is 09:50 AM.

Community Participation Guidelines | How to use your User Control Panel

Powered by: vBulletin | Copyright Jelsoft Enterprises Ltd.
 
 
no new posts