Automotive Forums .com - the leading automotive community online! Automotive Forums .com - the leading automotive community online!
Automotive Forums .com - the leading automotive community online! 
-
Latest | 0 Rplys

Stop Feeding Overpriced Junk to Your Dogs!

GET HEALTHY AFFORDABLE DOG FOOD
DEVELOPED BY THE AUTOMOTIVEFORUMS.COM FOUNDER & THE TOP AMERICAN BULLDOG BREEDER IN THE WORLD THROUGH DECADES OF EXPERIENCE. WE KNOW DOGS.
CONSUMED BY HUNDREDS OF GRAND FUTURE AMERICAN BULLDOGS FOR YEARS.
NOW AVAILABLE TO THE GENERAL PUBLIC FOR THE FIRST TIME
PROPER NUTRITION FOR ALL BREEDS & AGES
TRY GRAND FUTURE AIR DRIED BEEF DOG FOOD
Go Back   Automotive Forums .com Car Chat > Chevrolet > Lumina
Register FAQ Community Arcade Calendar
Reply Show Printable Version Show Printable Version | Email this Page Email this Page | Subscription Subscribe to this Thread
 
Thread Tools
Old 02-10-2018, 09:14 PM   #1
slingslingbinks
AF Newbie
 
Join Date: Apr 2010
Location: Hudson, Colorado
Posts: 85
Thanks: 1
Thanked 0 Times in 0 Posts
Send a message via MSN to slingslingbinks
Cruise control inop. 98 Lumina LTZ 3800

I need a wiring diagram for my 98 Lumina LTZ with the 3800 i just bought.
I went to Bozeman, MT for this car and drove it home with out the cruise control working.
The fuse is good, I tried another turn signal lever and the cruise cable is hooked up to the throttle.
My snap-on scanner doesn't check the switches.
I suspect eather the brake light sw, Multi-fuction switch or the cruise control unit it self is bad.
I thought there was a way to (tell ) the cruise control to activate the throttle some how?

Thank's Scott.
slingslingbinks is offline   Reply With Quote
Old 02-10-2018, 09:25 PM   #2
Blue Bowtie
Registered Offender
 
Blue Bowtie's Avatar
 
Join Date: Mar 2006
Location: Rural
Posts: 6,562
Thanks: 8
Thanked 346 Times in 341 Posts
Re: Cruise control inop. 98 Lumina LTZ 3800

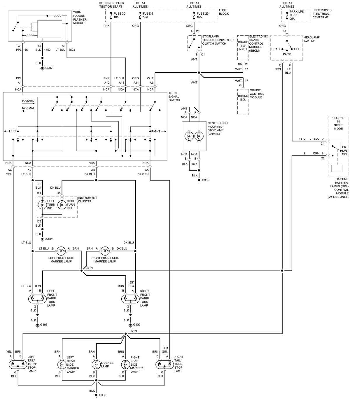
Also check the third (CHMSL) brake lamp. If the PCM does not detect 0V in the circuit, the cruise will not operate. Since there is a couple mA tickle current from the PCM to test this, if the lamp filament is not intact it will not pull down this voltage to 0, and the problem occurs. This is sensed on the white wire from the cruise control module.
__________________
Permanent seat assignment on the Group W bench...
Automotive Forums Survival Guide
Blue Bowtie is offline   Reply With Quote
Old 02-10-2018, 10:10 PM   #3
Tech II
AF Fanatic
 
Join Date: Jul 2011
Location: Worcester, Massachusetts
Posts: 5,017
Thanks: 70
Thanked 618 Times in 610 Posts
Re: Cruise control inop. 98 Lumina LTZ 3800

When you turn your cruise on, is there a cruise indicator light on in the dash?

Checked the brake switch for proper adjustment?

Check for codes? Code can cause PCM to send an inhibit signal to cruise module...

Blue I don't see anything that involves the third brake light...

Tech II is offline   Reply With Quote
The Following User Says Thank You to Tech II For This Useful Post:
slingslingbinks (02-11-2018)
Old 02-11-2018, 09:41 AM   #4
Blue Bowtie
Registered Offender
 
Blue Bowtie's Avatar
 
Join Date: Mar 2006
Location: Rural
Posts: 6,562
Thanks: 8
Thanked 346 Times in 341 Posts
Re: Cruise control inop. 98 Lumina LTZ 3800

T-2,

I agree it looks that way, but the publishers are sometimes not very clear in their linking of circuits in the diagrams. Look at the little dashed box connected to Splice 502, labelled "Exterior Lights." A subsequent sheet shows the connections in that otherwise innocuous little box.



The connection from terminal G on the CC module shows connection to the CHMSL. I had this happen on a '96 Lumina and chased it around for a while before discovering this.
__________________
Permanent seat assignment on the Group W bench...
Automotive Forums Survival Guide
Blue Bowtie is offline   Reply With Quote
Old 02-11-2018, 10:03 AM   #5
Tech II
AF Fanatic
 
Join Date: Jul 2011
Location: Worcester, Massachusetts
Posts: 5,017
Thanks: 70
Thanked 618 Times in 610 Posts
Re: Cruise control inop. 98 Lumina LTZ 3800

Blue, all terminal G is showing is input from the Brake switch.....in this case, whether a bulb is burnt out makes no difference, the input is the same.....
Tech II is offline   Reply With Quote
Old 02-11-2018, 05:31 PM   #6
slingslingbinks
AF Newbie
Thread starter
 
Join Date: Apr 2010
Location: Hudson, Colorado
Posts: 85
Thanks: 1
Thanked 0 Times in 0 Posts
Send a message via MSN to slingslingbinks
Re: Cruise control inop. 98 Lumina LTZ 3800

Now this is team work here. Tech II got the diagram and i was able to check my in's into the cruise control mod. and all was good.
Even though there is a difference between the 95 cable and the 98, I was able to disconnect the module from the 95 lumina and attach it to the cable off the 98 Lumina and it's working now.

Thank's Tech II and Blue for your help getting my Cruise control working again with out throwing part's at it.

Thank's Scott
slingslingbinks is offline   Reply With Quote
Old 02-11-2018, 08:39 PM   #7
Tech II
AF Fanatic
 
Join Date: Jul 2011
Location: Worcester, Massachusetts
Posts: 5,017
Thanks: 70
Thanked 618 Times in 610 Posts
Re: Cruise control inop. 98 Lumina LTZ 3800

Thanks for the feed back......nice to know it worked out for you....
Tech II is offline   Reply With Quote
 
Reply

POST REPLY TO THIS THREAD

Go Back   Automotive Forums .com Car Chat > Chevrolet > Lumina


Posting Rules
You may not post new threads
You may not post replies
You may not post attachments
You may not edit your posts

BB code is On
Smilies are On
[IMG] code is On
HTML code is Off



All times are GMT -5. The time now is 01:33 AM.

Community Participation Guidelines | How to use your User Control Panel

Powered by: vBulletin | Copyright Jelsoft Enterprises Ltd.
 
 
no new posts