98 Malibu Crazy electrical problem
billw129
03-10-2010, 02:49 AM
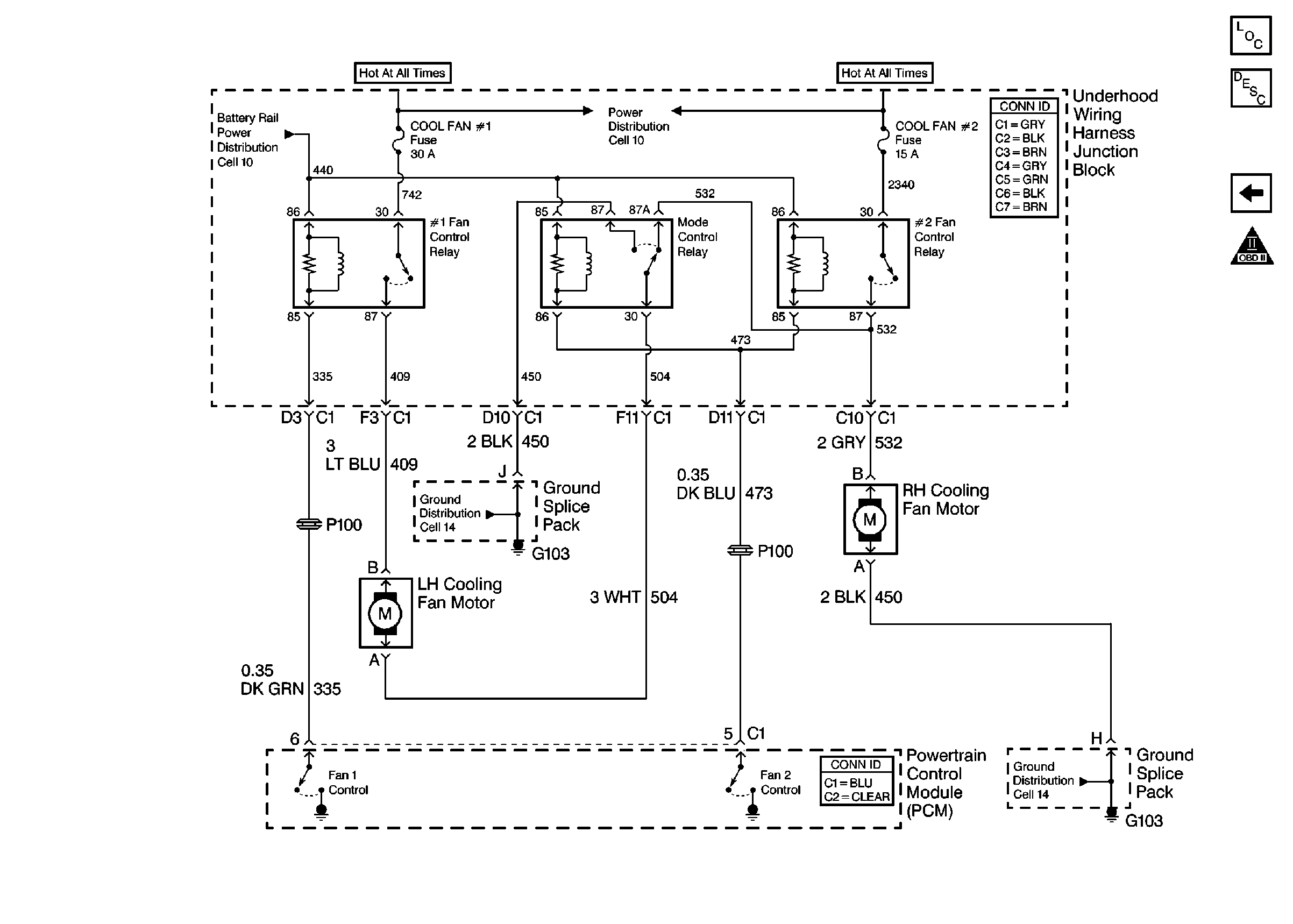
http://www.automotiveforums.com/vbulletin/[IMG]http://i102.photobucket.com/albums/m89/billw129/TifToGif.gifHey guys I have a good one for you. My malibu over heated a few months back. Turns out that the fans were not coming on. Being as though I was on the side of the road and there just so happened to be a short piece of wire on the side of the road, Naturally I jumped the number one fan relay and the fans came on. Well being the lazy person I am I left it that way and forgot about it. Today my wife came to my job telling me the car was over heating. I checked and the wire had come loose. I hooked it back up to get her home and went on with my business. When I got home she told me that the car had to be jumped for her to get to the store. I went out to look at the car and the negative battery post was loose. I tightened it and started to look at the fan issue. I found the constant power for the magnet in the relay and for the fan and both checked out with 12v without engine running and 14v with engine running. Then I found the ground for magnet and fan. Again both checked out. Then I put power and ground to the relay it clicked. Then I checked that it had continuity and it had almost no resistance so that checked out. So then I jumped pins in the box as if the relay was engaged and the fans came on. Plug the relay in and nothing. This is driving me crazy. Everything tests out but nothing works. :banghead:
http://i102.photobucket.com/albums/m89/billw129/TifToGif.gif
http://s102.photobucket.com/albums/m89/billw129/?action=view¤t=TifToGif.gif
http://i102.photobucket.com/albums/m89/billw129/TifToGif.gif
http://s102.photobucket.com/albums/m89/billw129/?action=view¤t=TifToGif.gif
billw129
03-10-2010, 02:57 AM
To make it less confusing on the #1 Fan control relay pins 85 & 87 have a good ground. Pins 86 & 30 have power. So 85 gets ground from the PCM when the car senses that the fans need to be on. That switches the relay to connect pins 87 & 30. Everything has power that is supposed to, everything has ground that is supposed to. The relay is good and has been tested and replaced. Put it together and it doesn't work. Any suggestions?
Automotive Network, Inc., Copyright ©2026
