Relay Wiring
FroneDaddy
01-19-2009, 12:19 PM
Hello, this is not for car audio but it is relative to wiring. I couldn't find a section dedicated to that so I'm hoping someone here can help me. I have a switch that I am using on my truck. The switch is being used to complete a 5 volt circuit. I want to add an L.E.D. light that mounts in the dash to turn on when the switch is on. Is it possible to run the 5 volt wire to the relay to turn on the 12 volt L.E.D. when the switch is on? Isn't there a way to run a 12 volt wire into the relay so that when the relay senses the 5 volts from the switch it connects power from the 12 volt line to the light, and giving the light the full 12 volts? The only thing the 5 volt line would be used for was to signal the relay to close the circuit from 12 volt constant to the light. If so, could someone please explain how to wire it, and a diagram would be great. Thanks!
PaulD
01-19-2009, 07:19 PM
I think I'm lost, what are you running in the car that is 5 volts ?
anyway, it should be easy ... just get a 12V switch that has an LED in it and a standard Bosch style relay. Wire 12V to one side of the switch and wire the other side of the switch to pin 85 of the relay, then ground pin 86 of the relay. Cut the power wire from the 5 volt source, the 5V INPUT wire to pin 30 and the 5V load wire to pin 87 of the relay. When you flip the switch, the relay will close and let the 5V circuit be active. Don't worry, the 5V and 12V circuits are isolated in this setup.
here is a VERY crude drawing I did in paint http://www1.snapfish.com/slideshow/AlbumID=278770672/PictureID=6593603738/a=84027511_84027511/t_=84027511
anyway, it should be easy ... just get a 12V switch that has an LED in it and a standard Bosch style relay. Wire 12V to one side of the switch and wire the other side of the switch to pin 85 of the relay, then ground pin 86 of the relay. Cut the power wire from the 5 volt source, the 5V INPUT wire to pin 30 and the 5V load wire to pin 87 of the relay. When you flip the switch, the relay will close and let the 5V circuit be active. Don't worry, the 5V and 12V circuits are isolated in this setup.
here is a VERY crude drawing I did in paint http://www1.snapfish.com/slideshow/AlbumID=278770672/PictureID=6593603738/a=84027511_84027511/t_=84027511
FroneDaddy
01-25-2009, 09:53 AM
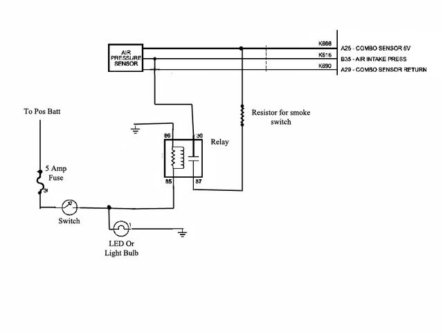
Thanks man, there is a 5 volt circuit that is already in my truck that switches when the ECM tells it to, I want to control it. I don't want a switch with an LED in it, but after pondering this for a long time I came up with a very similar schematic to yours.
http://i148.photobucket.com/albums/s17/fronedaddy/SmokeSwitchLight.jpg
http://i148.photobucket.com/albums/s17/fronedaddy/SmokeSwitchLight.jpg
AWP9521
01-25-2009, 01:49 PM
That schematic will work fine, if you use an LED for the pilot light, make sure it is the ones that are prewired for 12V, otherwise a dropping resistor will be required.
PaulD
01-25-2009, 11:31 PM
yea, it is VERY similiar but much better drawn. Why a 5 amp fuse on the switch side, that part of the circuit will only pull maybe 1/2 amp if your lucky. You will also have to actually cut the two wires on one side or the other to have manual control.
FroneDaddy
01-31-2009, 09:15 PM
You will also have to actually cut the two wires on one side or the other to have manual control.
Which wires are you referring to?
Which wires are you referring to?
PaulD
01-31-2009, 11:35 PM
the wires in your diagram labeled K888 and K616. If I understand what you want to do, you will have to cut the wires from the sensor and wire the relay straight to whatever module it's going into. I am not really sure if this damage the module or not ... I am assuming the module is the car's ECU.
FroneDaddy
02-01-2009, 04:36 PM
I gotcha......cutting those wires will damage the module...and yes it is going to the ECM. When the switch is off, the circuit and ECM will function normally and supply the 5 volts when it's tell itself to. When I flip the switch it will supply the 5 volts when I tell it to.
Automotive Network, Inc., Copyright ©2026
