1998 GA 2.4 MAF Sensor
dwtucker
09-28-2008, 07:48 PM
HI All,
Is it just me or is the MAF Sensor for a 1998 GA 2.4 L impossible to find.
I went to Autozone and Murrey's... They do not stock it. My local part shop can order it, but ti was 3 days and $130+ to order.
I searched on-line and noone has it.
What gives? This is a small and simple to change part and should be easy and cheap to get.
Anyone have any ideas?
Thanks in advance...
Dave
Is it just me or is the MAF Sensor for a 1998 GA 2.4 L impossible to find.
I went to Autozone and Murrey's... They do not stock it. My local part shop can order it, but ti was 3 days and $130+ to order.
I searched on-line and noone has it.
What gives? This is a small and simple to change part and should be easy and cheap to get.
Anyone have any ideas?
Thanks in advance...
Dave
crazy Jim
09-29-2008, 05:45 PM
Your 2.4 appears to not use a MAF.............MAFs are not cheap at all, at 130 I'd say you are getting off cheap.
dwtucker
09-29-2008, 11:29 PM
Hey Crazy,
There definetly is a MAF, I took it out and inspected it, cleaned it and reinstalled since I could not find a replacement anywhere.
I was amazed at how small it was and how darn $$$$ it is for its size.
Dave
There definetly is a MAF, I took it out and inspected it, cleaned it and reinstalled since I could not find a replacement anywhere.
I was amazed at how small it was and how darn $$$$ it is for its size.
Dave
Airjer_
09-29-2008, 11:59 PM
You have a MAP sensor (Manifold Absolute Pressure) not a MAF (Mass Air Flow). A MAP sensor measures the difference in pressure between the atmosphere and the intake (it measurs the amount of vacuum in the intake). A MAF sensor measures the volume of air going into the intake. They are two different sensors that do to different tasks.
A MAP sensor for a 2.4 should look like this
http://partimages2.genpt.com/partimages/92567.jpg
Check your local NAPA, the part # is CRB 216452
BTW, is there a reason your replacing it? Its not a very common part to be replaced on a 2.4. I can't think of one that I have replaced?
A MAP sensor for a 2.4 should look like this
http://partimages2.genpt.com/partimages/92567.jpg
Check your local NAPA, the part # is CRB 216452
BTW, is there a reason your replacing it? Its not a very common part to be replaced on a 2.4. I can't think of one that I have replaced?
dwtucker
09-30-2008, 12:09 AM
Agreed, there are many sensors....MAP, TPS, IAC, O2 (only 1) and a MAF.
The MAF is located in the black air intake pipe, back side, right by the ABS module. It is in the 12" pipe going from the Air Cleaner Box to the Air Intake Muffler. Small device, with a 2 wire connector if I recall.
I disconnected it and removed it. I know it is there.....
I was simply looking to replace it since the car is stalling at Idle and I replaced everything else already. The MAF was one of my first choices, but like I said, I cannot find one and they are $$$$.
Dave
The MAF is located in the black air intake pipe, back side, right by the ABS module. It is in the 12" pipe going from the Air Cleaner Box to the Air Intake Muffler. Small device, with a 2 wire connector if I recall.
I disconnected it and removed it. I know it is there.....
I was simply looking to replace it since the car is stalling at Idle and I replaced everything else already. The MAF was one of my first choices, but like I said, I cannot find one and they are $$$$.
Dave
Airjer_
09-30-2008, 12:58 AM
IAT (intake air temp) sensor?
http://partimages2.genpt.com/partimages/101605.jpg
A MAF will have a minimum of three wires and will be the same diameter as the air snorkel.
http://partimages2.genpt.com/partimages/101605.jpg
A MAF will have a minimum of three wires and will be the same diameter as the air snorkel.
Airjer_
09-30-2008, 01:04 AM
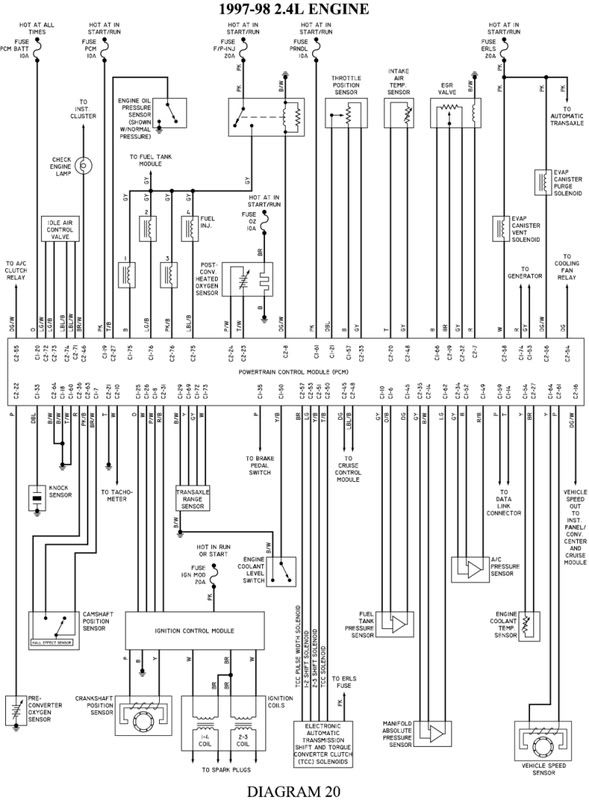
I just checked a schematic for a 98 2.4, no MAF. A MAP sensor is about a $100 bucks though.
http://i83.photobucket.com/albums/j293/airjer/AF%20Stuff/98schematic.jpg
http://i83.photobucket.com/albums/j293/airjer/AF%20Stuff/98schematic.jpg
xeroinfinity
09-30-2008, 10:18 AM
I already explaind thier is no MAF sensor on this 2.4 in your other thread dwtucker.
If thier was it would run about $250-300 same as the V6. :2cents:
If thier was it would run about $250-300 same as the V6. :2cents:
dwtucker
09-30-2008, 06:02 PM
Hi Guys,
My appologize... I stand corrected.... Airjer nailed it... It is the IAT sensor I was looking at and I thought it was the MAF.
See, I searched and searched for the MAF and convinced myself the car had one. I mean, it has too right, or so I thought. So when I found this IAT, I made a bad assumption.:redface:
Ok, since there is no MAF, that explains why no parts shop has a replacement part, now doesn't it.
oppsss, I am an idiot.. but that is why I came to the experts in the first place.
Thanks to all of you who pointed me straight. I appreciate the help and guidance. You guys rock!!!!!
Ok, off to finish debugging this fine piece of engineering.....:banghead:
Dave
My appologize... I stand corrected.... Airjer nailed it... It is the IAT sensor I was looking at and I thought it was the MAF.
See, I searched and searched for the MAF and convinced myself the car had one. I mean, it has too right, or so I thought. So when I found this IAT, I made a bad assumption.:redface:
Ok, since there is no MAF, that explains why no parts shop has a replacement part, now doesn't it.
oppsss, I am an idiot.. but that is why I came to the experts in the first place.
Thanks to all of you who pointed me straight. I appreciate the help and guidance. You guys rock!!!!!
Ok, off to finish debugging this fine piece of engineering.....:banghead:
Dave
Automotive Network, Inc., Copyright ©2026
