97 geo wont start
jonn64
10-21-2007, 02:09 PM
we have a 97 geo metro 4 cyl it only starts and runs when we prime the throttle body,with gasoline. it kills as soon as we quit priming it .
it has good fuel pressure to the throttle body.the pump is working.
when we run it by priming, i couldn't feel or hear any clicking from the injector. what runs the injector and would it click if it was plugged?
this problem was preceeded by the car not starting after it was driven and shut off. then it wouldn't start until it sat about 30 minutes .
it has good fuel pressure to the throttle body.the pump is working.
when we run it by priming, i couldn't feel or hear any clicking from the injector. what runs the injector and would it click if it was plugged?
this problem was preceeded by the car not starting after it was driven and shut off. then it wouldn't start until it sat about 30 minutes .
91Caprice9c1
10-21-2007, 10:04 PM
we a 97 geo metro 4 cyl it only starts and runs when we prime the throttle body,with gasoline. it kills as soon as we quit priming it .
it has good fuel pressure to the throttle body.the pump is working.
when we run it by priming, i couldn't feel or hear any clicking from the injector. what runs the injector and would it click if it was plugged?
this problem was preceeded by the car not starting after it was driven and shut off. then it wouldn't start until it sat about 30 minutes .
Now this... this is what I call an exemplary model for a post seeking diagnostic assistance. Year make model engine. Description of problem, description of already performed diagnostics, problem history, and a good question. 5 points John.
You should be able to hear and feel the injector but lets make no assumptions. A clogged injector (to my knowledge!) should still click.
http://i77.photobucket.com/albums/j64/isc20/62604315.gif
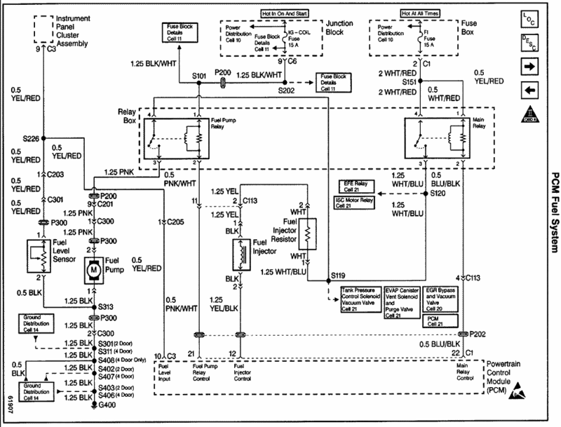
We can see form the wiring diagram that the FI fuse, Main Relay, and Fuel Pump Relay are functional based on your description.
With a DVOM (NOT AN ANALOG METER!!) and the black lead connected to ground, you should get voltage at one of the fuel injector wires with the ignition on. If you do not have some kind of voltage at either fuel injector wire, you either have an open circuit between S119 and the fuel injector, or a bad fuel injector resistor.
If you do find voltage at one of the fuel injector wires, plug the connector back into the fuel injector, and backprobe the ground wire at the injector, and ground it with the ignition on - if this does NOT operate the fuel injector, you need to replace it.
If it DOES operate the fuel injector you either have an open circuit/high resistence between the injector and the PCM, or a bad PCM.
At this point, you need to disconnect the fuel injector connector, and the PCM C1 harness. Jump battery voltage to the ground wire at the fuel injector connector, and probe pin 12 in the C1 harness with your DVOM, then ground the meters black lead. If you get a steady battery voltage reading, replace the PCM. If there's intermittent or no voltage present, repair the bad connection between the injector and the PCM.
-MechanicMatt
it has good fuel pressure to the throttle body.the pump is working.
when we run it by priming, i couldn't feel or hear any clicking from the injector. what runs the injector and would it click if it was plugged?
this problem was preceeded by the car not starting after it was driven and shut off. then it wouldn't start until it sat about 30 minutes .
Now this... this is what I call an exemplary model for a post seeking diagnostic assistance. Year make model engine. Description of problem, description of already performed diagnostics, problem history, and a good question. 5 points John.
You should be able to hear and feel the injector but lets make no assumptions. A clogged injector (to my knowledge!) should still click.
http://i77.photobucket.com/albums/j64/isc20/62604315.gif
We can see form the wiring diagram that the FI fuse, Main Relay, and Fuel Pump Relay are functional based on your description.
With a DVOM (NOT AN ANALOG METER!!) and the black lead connected to ground, you should get voltage at one of the fuel injector wires with the ignition on. If you do not have some kind of voltage at either fuel injector wire, you either have an open circuit between S119 and the fuel injector, or a bad fuel injector resistor.
If you do find voltage at one of the fuel injector wires, plug the connector back into the fuel injector, and backprobe the ground wire at the injector, and ground it with the ignition on - if this does NOT operate the fuel injector, you need to replace it.
If it DOES operate the fuel injector you either have an open circuit/high resistence between the injector and the PCM, or a bad PCM.
At this point, you need to disconnect the fuel injector connector, and the PCM C1 harness. Jump battery voltage to the ground wire at the fuel injector connector, and probe pin 12 in the C1 harness with your DVOM, then ground the meters black lead. If you get a steady battery voltage reading, replace the PCM. If there's intermittent or no voltage present, repair the bad connection between the injector and the PCM.
-MechanicMatt
jonn64
10-28-2007, 09:14 PM
Turned out to be a bad injector, store wanted 240.00
we took a chance and went to You Pull It, and got the whole throttle body for 16 bucks. Half hour later we were driving it. Thank you Mechanic Matt.
we took a chance and went to You Pull It, and got the whole throttle body for 16 bucks. Half hour later we were driving it. Thank you Mechanic Matt.
91Caprice9c1
10-30-2007, 01:22 AM
Congrats on your successful and dollar-wise repair! Glad it's up and running againe.
-MechanicMatt
-MechanicMatt
Durtle
11-10-2007, 08:30 PM
I have a 98 metro when you first start it cold starts right run about 20 sec. and dies you go to restart it it floods right away . Have tried a coolant temp sensor, map sensor and an ecm. Any suggestions ?
Automotive Network, Inc., Copyright ©2026
