Where is the window ground landed?
yakko
10-12-2007, 11:57 PM
I've been having a whole bunch of problems electrically and it seems I've got them all fixed (hopefullly) except the window. I thought it was the master window switch on the drivers side door so I bought a used one on ebay. The new one did the exact same thing as the old one. From what I've heard, these switches go out somewhat often and this 'new one' doesn't look in the best condition, so I'm thinking it may be possible it's also bad.
Until I figure it out...does anyone know how to jump the driver side window to roll it up? I know which contacts control the up and down (the third one controls the up, the fourth one controls the down, or maybe vice versa). I believe the number one contact is the supply and the seven is the common. I thought I knew how to jump stuff, but obviously I'm mistaken.
I've got twelve volts DC from the supply to the common so I know I've got power. When the switch is hooked up, I hit the window control and I get a soft tapping noise which reminds me of a car trying to start without enough juice (starter tapping, but not engaging).
I've tried jumping by connecting this to that and that to this, but nothing seems to work. Anyone know how to do this properly?
Also, when I jump from supply to three and common to four, my dashboard lights come back on (I thought it was broke). Any thoughts on what's goin on there?
Thanks for all your help and advice!!!!
Until I figure it out...does anyone know how to jump the driver side window to roll it up? I know which contacts control the up and down (the third one controls the up, the fourth one controls the down, or maybe vice versa). I believe the number one contact is the supply and the seven is the common. I thought I knew how to jump stuff, but obviously I'm mistaken.
I've got twelve volts DC from the supply to the common so I know I've got power. When the switch is hooked up, I hit the window control and I get a soft tapping noise which reminds me of a car trying to start without enough juice (starter tapping, but not engaging).
I've tried jumping by connecting this to that and that to this, but nothing seems to work. Anyone know how to do this properly?
Also, when I jump from supply to three and common to four, my dashboard lights come back on (I thought it was broke). Any thoughts on what's goin on there?
Thanks for all your help and advice!!!!
Mickey#1
10-13-2007, 10:41 AM
What year is the car?
yakko
10-13-2007, 12:12 PM
Sorry...rookie mistake.... 2002 regal LS
Mickey#1
10-13-2007, 01:16 PM
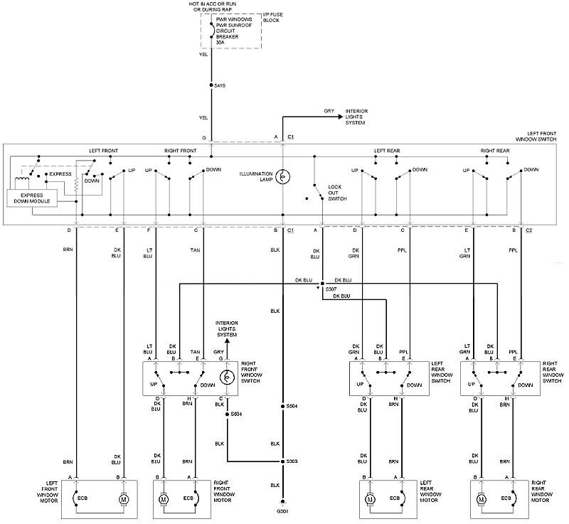
Here's a wiring diagram. The brown @ terminal D & the Dk Blue @ terminal E are for the driver's window. The tapping noise could hace been caused by trying to lower the window that was already down all the way. Did you try reversing the polarity of your jumper wires?
http://i197.photobucket.com/albums/aa182/MikeTu/2002RegalPowerWindows.jpg
http://i197.photobucket.com/albums/aa182/MikeTu/2002RegalPowerWindows.jpg
yakko
10-16-2007, 06:07 AM
Got it jumped up thanks to your help with the schematics. Thank you so much.
yakko
10-16-2007, 06:16 AM
Buick 02 LS
So I've gotten the climate control fixed, the cruise control fixed, the ignition switch changed and the window jumped up (so the interior won't get ruined) all thanks to you guys. Thank you so much. I love this site!
Almost done...
After troubleshooting the window, seems the ground is open. I jumped the window using the big gray bolt between the door and the car as the ground and it worked.
Can anyone tell me where the window ground wire (for the driver's side door) lands so I can check it? Or anyone have any ideas where there may be some places to check that might be more inclined to be open (like a break in the wire or loose connection) than others?
Again...thank you so much!!!!
So I've gotten the climate control fixed, the cruise control fixed, the ignition switch changed and the window jumped up (so the interior won't get ruined) all thanks to you guys. Thank you so much. I love this site!
Almost done...
After troubleshooting the window, seems the ground is open. I jumped the window using the big gray bolt between the door and the car as the ground and it worked.
Can anyone tell me where the window ground wire (for the driver's side door) lands so I can check it? Or anyone have any ideas where there may be some places to check that might be more inclined to be open (like a break in the wire or loose connection) than others?
Again...thank you so much!!!!
BNaylor
10-16-2007, 09:25 AM
yakko,
Your two posts/threads concerning your issue have been merged together. We only allow one thread on what appears to be the same issue. This cuts down on confusion, redundant replies and maintains continuity. Your cooperation is appreciated.
Your two posts/threads concerning your issue have been merged together. We only allow one thread on what appears to be the same issue. This cuts down on confusion, redundant replies and maintains continuity. Your cooperation is appreciated.
Automotive Network, Inc., Copyright ©2026
