Fan Relay Burning
electro452
09-02-2007, 11:41 PM
I have a 96 Ford Escort, 1.9 L. I have replaced the hi and low fan relay , as well as the fan control rely twice in the past three months. The socket to the low fan relay was melted the last time and was also replaced. Today I notived the car runnibg hot again so I checked the fan relay in the power/relay compartment under the hood and it had melted the bottom of the relay again...as well as the low fan relay....What could be causing this?
Selectron
09-03-2007, 08:41 AM
Hi electro452, and welcome to the forum. The quick answer is that I reckon your fan is faulty and should be replaced.
And the reasoning behind that:
The relay coils won't be implicated, because the level of power dissipated in the coil is tiny and it's inconceivable that all three could have developed some bizarre fault causing them to overheat, so they are ruled out.
There is the possibility of high contact resistance either at the switched contacts, or at the base pins where they plug into the socket. They wouldn't all be suffering from high resistance at the switched contacts though so that's ruled out too. As for high contact resistance at the base pins, well they are in different locations - one plugs into the engine bay fusebox and the other two are fender-mounted, with connectors leading off of the wiring harness so there isn't a common physical factor in the way they plug into the circuit so I'd rule that out too.
That only leaves one possibility, which is an over-current condition, causing the current-rating of the relays to be exceeded and thereby causing them to overheat and I reckon that's the answer. It's probably due to shorted windings in the fan motor, reducing the winding resistance and causing excessive current to flow, although it could also be caused by tight fan bearings. Restriction of the fan blades would also cause excessive current flow, but if the blades were fouling against something you would have heard that by now, eh. You don't have a short-circuit to ground because if you did then that would be blowing the 40A Cooling Fan fuse. I'm fairly confident that if you replace the fan, you won't have any more burned-out relays.
And the reasoning behind that:
The relay coils won't be implicated, because the level of power dissipated in the coil is tiny and it's inconceivable that all three could have developed some bizarre fault causing them to overheat, so they are ruled out.
There is the possibility of high contact resistance either at the switched contacts, or at the base pins where they plug into the socket. They wouldn't all be suffering from high resistance at the switched contacts though so that's ruled out too. As for high contact resistance at the base pins, well they are in different locations - one plugs into the engine bay fusebox and the other two are fender-mounted, with connectors leading off of the wiring harness so there isn't a common physical factor in the way they plug into the circuit so I'd rule that out too.
That only leaves one possibility, which is an over-current condition, causing the current-rating of the relays to be exceeded and thereby causing them to overheat and I reckon that's the answer. It's probably due to shorted windings in the fan motor, reducing the winding resistance and causing excessive current to flow, although it could also be caused by tight fan bearings. Restriction of the fan blades would also cause excessive current flow, but if the blades were fouling against something you would have heard that by now, eh. You don't have a short-circuit to ground because if you did then that would be blowing the 40A Cooling Fan fuse. I'm fairly confident that if you replace the fan, you won't have any more burned-out relays.
denisond3
09-03-2007, 08:41 AM
Too bad there isnt any easy way to measure how much current that fan is drawing. I would suspect the fan motor is drawing enough current to heat up the contacts where the relays plug in, but not yet enough current to blow the fuse. Plus at some point most any connector is going to get enough corrosion to need replacement. I found a wrecked Escort in a Salvage yard whose relay box looked pristine, so I 'harvested' it. I plan to keep our Escort for a long time. (Beause its paid for, it doesnt have a darn 'chip' in the ignition key, and is faded enough that car thieves probably dont want it!)
Selectron
09-03-2007, 08:55 AM
Simultaneous posting there from denisond3, saying the same thing but in a whole lot less words - I do drone on sometimes eh. Good point about measuring the current - it will probably exceed the 10A or so which your multimeter would be able to handle, but a clamp meter would measure it quickly and easily if you know anybody who has one.
electro452
09-03-2007, 07:13 PM
Thanks for all the replies. I was leaning towards a fan with high current draw but because the fan seems to be running in both low and high with out issue I was a little hesitant to replace it. It figured I'd do as many others and go salvage some more connector, replace the relays and fan and see what happens......
p.s... there is a way to measure the resistance in the fan windings. I remember reading in the shop book a max and min resistance the fan should be. Guess I should measure it but I'll probably replace it anyway even if it's a good reading. Heat has a way of changing the resitance. My clamps are mean't for A/C and will go to 100amps but not for D.C ..
p.s... there is a way to measure the resistance in the fan windings. I remember reading in the shop book a max and min resistance the fan should be. Guess I should measure it but I'll probably replace it anyway even if it's a good reading. Heat has a way of changing the resitance. My clamps are mean't for A/C and will go to 100amps but not for D.C ..
12Ounce
09-03-2007, 07:37 PM
An easy/cheap check is to unplug the fan motor, and then force (jumper) the relays to be energized. If the relays overheat in this situation, then there is something other than the fan motor causing you ill. This check would quickly indict or clear the fan motor.
Selectron
09-03-2007, 09:49 PM
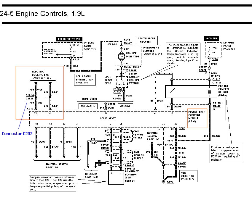
Yep, that's a good plan, 12Ounce. I was just looking at the wiring diagrams to see what would be involved, and there might be a slight complication. The low-speed and high-speed relays are under the control of the PCM - when it wants each relay to energise it will ground the appropriate pin at the PCM, thereby grounding the low end of the relay coil and energising it. I suspect though that at all other times, i.e. when it wants the relays to be off, it would hold them at 12V rather than leave them floating. So before I jumpered the low end of the relay to ground for test purposes, I'd first check to see if there was 12V at the low end of the relay coil, which I think that there would be.
If so then there is a connector which can be disconnected - C202 - and that will break the path between the PCM and both relay coils, leaving one free to jumper the low end of the coils to ground.
I'm looking at the diagram for the '95 1.9L (I don't have anything for the '96). Here are the cooling fan wiring diagrams, and the location diagram for C202. If C202 is readily accessible then that would indeed be a good test and I'd probably want to do that before setting out to track down a replacement fan.
Wiring diagram part 1 (http://i180.photobucket.com/albums/x64/Selectron/Escort/95-1-9L-cooling-fans-01.png)
Wiring diagram part 2 (http://i180.photobucket.com/albums/x64/Selectron/Escort/95-1-9L-cooling-fans-02.png)
Cooling fan portion of PCM (http://i180.photobucket.com/albums/x64/Selectron/Escort/95-1-9L-cooling-fans-03.png)
Connector C202 - location (http://i180.photobucket.com/albums/x64/Selectron/Escort/95-1-9L-cooling-fans-04.png)
If so then there is a connector which can be disconnected - C202 - and that will break the path between the PCM and both relay coils, leaving one free to jumper the low end of the coils to ground.
I'm looking at the diagram for the '95 1.9L (I don't have anything for the '96). Here are the cooling fan wiring diagrams, and the location diagram for C202. If C202 is readily accessible then that would indeed be a good test and I'd probably want to do that before setting out to track down a replacement fan.
Wiring diagram part 1 (http://i180.photobucket.com/albums/x64/Selectron/Escort/95-1-9L-cooling-fans-01.png)
Wiring diagram part 2 (http://i180.photobucket.com/albums/x64/Selectron/Escort/95-1-9L-cooling-fans-02.png)
Cooling fan portion of PCM (http://i180.photobucket.com/albums/x64/Selectron/Escort/95-1-9L-cooling-fans-03.png)
Connector C202 - location (http://i180.photobucket.com/albums/x64/Selectron/Escort/95-1-9L-cooling-fans-04.png)
electro452
09-22-2007, 01:35 PM
One item I failed to mention. It's the coil part of the fan relay burning, not the load side.
Selectron
09-22-2007, 03:28 PM
Ah, that's both interesting and unexpected. It also changes things significantly because there's no longer any reason to suspect a problem with the fan.
I can only think of three possible explanations:
1. Relay coil rated at less than 12V - should be marked on relay casing.
2. Alternator output voltage is significantly higher than it should be. Highly unlikely, because it would be causing major problems elsewhere, but it's easily checked so I'd check it anyway. Battery voltage should be close to 14V with engine idling, and then when revving engine slightly, that should rise to around 14.2V and then hold stable at that voltage level regardless of further increase in engine speed (upper voltage threshold is clamped by the voltage regulator).
3. Cheap relays being used (inferior quality), suitable perhaps for very intermittent use such as in the horn circuit, but not suitable for being energised for extended periods of time.
I can't think of anything else right now, but if I do, I'll let you know.
I can only think of three possible explanations:
1. Relay coil rated at less than 12V - should be marked on relay casing.
2. Alternator output voltage is significantly higher than it should be. Highly unlikely, because it would be causing major problems elsewhere, but it's easily checked so I'd check it anyway. Battery voltage should be close to 14V with engine idling, and then when revving engine slightly, that should rise to around 14.2V and then hold stable at that voltage level regardless of further increase in engine speed (upper voltage threshold is clamped by the voltage regulator).
3. Cheap relays being used (inferior quality), suitable perhaps for very intermittent use such as in the horn circuit, but not suitable for being energised for extended periods of time.
I can't think of anything else right now, but if I do, I'll let you know.
Selectron
09-23-2007, 05:19 AM
If your problem isn't being caused by anything on that list, then here's another thought. The Fan Power Relay is mounted in the fusebox, while the Hi and Lo relays are on the fender, so nothing in common in the method of mounting. The Fan Power Relay coil is grounded via the starter solenoid 'Hold' windings, while the Hi and Lo-speed relay coils are grounded via the PCM, so again there's no common factor.
The only thing they do all have in common is that they're fed via the same fuse - the 15A 'Engine' fuse (in the interior fuse panel). Now imagine if that fuse was loose, or a connector in the wiring leading from there to the relay coils was loose - that could conceivably be continually making-and-breaking the circuit. Then, because those coils are inductive, they would generate back-emf (voltage spikes) with each interruption.
I see from the wiring diagram that the relays each contain an internal resistor in parallel with the coil, to dampen the voltage spikes, which will primarily be to reduce RFI (radio frequency interference). We can assume that the resistors fitted are adequate for normal operation, but if you have a loose fuse or connector, constantly making-and-breaking the circuit then the demands of constantly shunting the back-emf may be more than they can cope with, causing them to overheat. Although they dampen the back-emf, they won't kill it completely, so there might be some arcing across the point in the circuit which was intermittently going open-circuit, so you might find evidence of pitting and burning at that point, so I'd pull the fuse and examine it, and check the connectors between there and the coils, where possible.
It's a real long-shot, but if the three items which I listed earlier check out ok then I can't think of anything else which could cause it, apart from back-emf.
Chances are that your relays are correctly rated at 12V, also the chances are that your alternator output voltage is normal. I'd be wondering about the source of those replacement relays - if they're some unknown brand, of unknown quality, then I'd suggest that you'd be better off pulling some used OEM relays off a vehicle in the boneyard. The possibility of a loose fuse or connector causing back-emf would be the last suspect on my list. I'd be interested to hear the resolution to this one.
The only thing they do all have in common is that they're fed via the same fuse - the 15A 'Engine' fuse (in the interior fuse panel). Now imagine if that fuse was loose, or a connector in the wiring leading from there to the relay coils was loose - that could conceivably be continually making-and-breaking the circuit. Then, because those coils are inductive, they would generate back-emf (voltage spikes) with each interruption.
I see from the wiring diagram that the relays each contain an internal resistor in parallel with the coil, to dampen the voltage spikes, which will primarily be to reduce RFI (radio frequency interference). We can assume that the resistors fitted are adequate for normal operation, but if you have a loose fuse or connector, constantly making-and-breaking the circuit then the demands of constantly shunting the back-emf may be more than they can cope with, causing them to overheat. Although they dampen the back-emf, they won't kill it completely, so there might be some arcing across the point in the circuit which was intermittently going open-circuit, so you might find evidence of pitting and burning at that point, so I'd pull the fuse and examine it, and check the connectors between there and the coils, where possible.
It's a real long-shot, but if the three items which I listed earlier check out ok then I can't think of anything else which could cause it, apart from back-emf.
Chances are that your relays are correctly rated at 12V, also the chances are that your alternator output voltage is normal. I'd be wondering about the source of those replacement relays - if they're some unknown brand, of unknown quality, then I'd suggest that you'd be better off pulling some used OEM relays off a vehicle in the boneyard. The possibility of a loose fuse or connector causing back-emf would be the last suspect on my list. I'd be interested to hear the resolution to this one.
electro452
09-30-2007, 04:52 PM
Great feedback. The fan relay was purchased at AutoZone, so it is possibly a lower quality relay. THe low speed fan relay was purchased from the ford dealer. I'll kep you update as to the root cause as soon as I have the time to dig into it more. I'm suspecting a bad socket on the fuse/relay panel under the hood. I'm going to do some junk yard browsing and see if I can get a good set of all connectors and relays and try with new sets....For now I just hot wired the fan to a switch control i installed under the steering colum. It's worked good so far just turning it on during these hot days and letting it run on a constant low speed. Thanks again for all the great information. I apprecaite your thoughts on this one....
Automotive Network, Inc., Copyright ©2026
