F1 Braking System
NewyorkKopter
01-22-2007, 04:53 PM
Hey, do you guys have any pics or diagrams of the F1's braking system? Like pics of the linkage bwteen the pedal and the master cylinder. Thankss
hurstg01
01-23-2007, 02:55 AM
I may have some at home, let me look later for you
nope, i struck out, sorry.....
nope, i struck out, sorry.....
NewyorkKopter
01-23-2007, 02:42 PM
ohh man, thanks for trying
btw, do you know if the F1's brakes are boosted?
btw, do you know if the F1's brakes are boosted?
carbuilder2002
01-23-2007, 05:50 PM
Nope Gordon refused servo assistance as it detracted from driver feel and besides it adds weight.
NewyorkKopter
01-23-2007, 10:21 PM
oh so the pedal was connected directly to the master cylinder right?
carbuilder2002
01-24-2007, 12:58 AM
As far as I can see from photographs yes The rod goes from the pedal through the bulkhead and the master cylinder is fixed to the rear of the bulkhead. Simple direct and very low weight penalty.
hurstg01
01-24-2007, 01:43 PM
Found one -
*now removed*
*now removed*
Peloton25
01-24-2007, 01:51 PM
I was thinking that he was looking for the connection point on the opposite side of the pedal box. I don't believe I have any great reference on that.
I've also never seen a diagram of how the entire system is layed out, but it should be fairly straight forward given the lack of servo assist or ABS.
>8^)
ER
I've also never seen a diagram of how the entire system is layed out, but it should be fairly straight forward given the lack of servo assist or ABS.
>8^)
ER
hurstg01
01-24-2007, 01:53 PM
I was adding a pic for the first part of carbuilder2002's thread re going through the bulkhead
Like you say, I havent seen a piof 'the other side' either :)
Like you say, I havent seen a piof 'the other side' either :)
Peloton25
01-24-2007, 02:25 PM
Wasn't criticizing your contribution - I just wanted to add my :2cents:. I was feeling left out since I hadn't responded here yet.:loser:
Incidentally, the photographer of that image did request that his photos not be posted here. I think we should respect that request until he informs us otherwise. :)
>8^)
ER
Incidentally, the photographer of that image did request that his photos not be posted here. I think we should respect that request until he informs us otherwise. :)
>8^)
ER
NewyorkKopter
01-24-2007, 03:30 PM
heyyy nice pic. Thanks but yea I was actually look for a pic of the master cylinder itself "on the other side"
btw, is there any signifigance to having two rods instead of one connecting to the brake pedal?
btw, is there any signifigance to having two rods instead of one connecting to the brake pedal?
carbuilder2002
01-24-2007, 03:44 PM
Not having access to an F1 I would assume it has 2 master cylinders as used on the Jaguar E Types, gives you a backup if 1 fails but usually split to diagonally opposite wheels or as on the E one for front and the other for back.
No doubt there are others who will know more certainly than I do.
No doubt there are others who will know more certainly than I do.
NewyorkKopter
01-24-2007, 03:49 PM
oh so like one master cylinder for the front and another for the rear...it makes sense, but does it have two master cylinders?
carbuilder2002
01-24-2007, 04:07 PM
I would assume 2 master cylinders one atached to each push rod, not sure if there will be a balance bar in there somewhere. On the Jaguar there was only 1 piston from the pedal but it linked to a pressure differentiating linkage between the 2 master cylinders. The same system was used on the D Types and Lightweigh E Types as well.
Hope am not off topic to far here lol.
Hope am not off topic to far here lol.
Peloton25
01-24-2007, 09:56 PM
Since Greg will likely be removing the photo he posted, here's another closeup on the brake pedal linkage - this time in XP4.
http://img.photobucket.com/albums/v482/Peloton25/McLaren%20F1%20D/th_IMGP5448m.jpg (http://img.photobucket.com/albums/v482/Peloton25/McLaren%20F1%20D/IMGP5448m.jpg)
I think the balance bar is actually the cross bar running through the pedal. It seems to offer quite a lot of adjustment. Given the performance focus of the F1 I would bet that one master cylinder would feed the front wheels and the other feeds the rears.
I'm still searching for an image of the master cylinder side of the equation, but am so far coming up blank. Even the assembly photos of chassis #071 inside Driving Ambition fail to offer any good photo to reference on that area of the car.
>8^)
ER
http://img.photobucket.com/albums/v482/Peloton25/McLaren%20F1%20D/th_IMGP5448m.jpg (http://img.photobucket.com/albums/v482/Peloton25/McLaren%20F1%20D/IMGP5448m.jpg)
I think the balance bar is actually the cross bar running through the pedal. It seems to offer quite a lot of adjustment. Given the performance focus of the F1 I would bet that one master cylinder would feed the front wheels and the other feeds the rears.
I'm still searching for an image of the master cylinder side of the equation, but am so far coming up blank. Even the assembly photos of chassis #071 inside Driving Ambition fail to offer any good photo to reference on that area of the car.
>8^)
ER
Mcl@ren
01-25-2007, 04:59 AM
with regards to braking, why do front wheel drive cars and rear wheel drive cars have the front wheel callipers on opposite sides of the rotor. ie front wheel, callipers are towards the front of the car, and rear wheel drive, the front wheel callipers are on the trailing side of the rotor ?
Mcl@ren
01-25-2007, 05:02 AM
le posted pics of the other side in this thread:
Re: Another set of factory pics
Check the pic on the 3rd row.
Thanks Le Man
Re: Another set of factory pics
Check the pic on the 3rd row.
Thanks Le Man
Peloton25
01-25-2007, 06:13 AM
with regards to braking, why do front wheel drive cars and rear wheel drive cars have the front wheel callipers on opposite sides of the rotor. ie front wheel, callipers are towards the front of the car, and rear wheel drive, the front wheel callipers are on the trailing side of the rotor ?
I can't imagine it has much to do with FWD -vs- RWD - the caliper is going to generate the same amount of clamping force no matter where it is grabbing the rotor.
I think what you are seeing is that on a lot of RWD cars, the engineers find it beneficial make the extra effort to locate the brake calipers closer to the center of the car. This ties in with what is often called "mass centralization" and likely aids in offering that "low polar moment of inertia" that Gordon speaks so fondly about.
One of the factors that may cause most manufacturers to put the caliper in the front is that typically the connection point on the hub where the steering rods connect is almost always behind the center point of the wheel. Having the caliper there too probably makes casting the hub more difficult to account for both in the same spot.
My :2cents: anyway.
= = = = = =
Thanks for keying in on that photo Le Man posted - here it is:
http://img256.imageshack.us/img256/4282/p12300161li.th.jpg (http://img256.imageshack.us/my.php?image=p12300161li.jpg)
I knew I had seen one somewhere - how sad that it was posted so recently and I had already forgotten about it. :screwy:
Hopefully once Le Man is able to produce scan's from the negatives as he mentioned, it will provide us a clearer picture on that area of the car.
>8^)
ER
I can't imagine it has much to do with FWD -vs- RWD - the caliper is going to generate the same amount of clamping force no matter where it is grabbing the rotor.
I think what you are seeing is that on a lot of RWD cars, the engineers find it beneficial make the extra effort to locate the brake calipers closer to the center of the car. This ties in with what is often called "mass centralization" and likely aids in offering that "low polar moment of inertia" that Gordon speaks so fondly about.
One of the factors that may cause most manufacturers to put the caliper in the front is that typically the connection point on the hub where the steering rods connect is almost always behind the center point of the wheel. Having the caliper there too probably makes casting the hub more difficult to account for both in the same spot.
My :2cents: anyway.
= = = = = =
Thanks for keying in on that photo Le Man posted - here it is:
http://img256.imageshack.us/img256/4282/p12300161li.th.jpg (http://img256.imageshack.us/my.php?image=p12300161li.jpg)
I knew I had seen one somewhere - how sad that it was posted so recently and I had already forgotten about it. :screwy:
Hopefully once Le Man is able to produce scan's from the negatives as he mentioned, it will provide us a clearer picture on that area of the car.
>8^)
ER
Mcl@ren
01-25-2007, 06:29 AM
I just had both threads open at the same time....pur co-incidence or is there something funky going on here, some kinda conspiracy.....:rofl:
Mcl@ren
01-25-2007, 12:22 PM
I have a pic with the under tray off. Dunno how to upload it though.
Can't remember where i got it from but you can see all the cables for the handbrake system.
there are silver shielded lines just in front of the lower "A" Arms, looks like the hydraulic lines.
Can't remember where i got it from but you can see all the cables for the handbrake system.
there are silver shielded lines just in front of the lower "A" Arms, looks like the hydraulic lines.
Peloton25
01-25-2007, 01:34 PM
You can't upload a file direct to AutomotiveForums. You need to host it remotely using a site like Imagevenue or Photobucket and then paste the URL with [IMG] tags into your post.
If that process is unfamiliar to you, you can email the file to me and I will host it as soon as I can.
[email protected]
>8^)
ER
If that process is unfamiliar to you, you can email the file to me and I will host it as soon as I can.
[email protected]
>8^)
ER
NewyorkKopter
01-25-2007, 04:00 PM
Is the master cylinder visble in LeMan's pic?
Peloton25
01-25-2007, 04:42 PM
I don't see anything in that shot I'd call a master cylinder. :dunno:
That picture may have been taken a bit too soon for our purposes here; however, it is the best reference to that section of the car that I can recall seeing.
>8^)
ER
That picture may have been taken a bit too soon for our purposes here; however, it is the best reference to that section of the car that I can recall seeing.
>8^)
ER
Le Man
01-25-2007, 05:03 PM
Is the master cylinder visble in LeMan's pic?
Yes is the answer,..... Look at the front lower edge of the cast aluminium bulkhead. you will see three small cylinder projections. The two close together are the front and rear brake master cylinders. The other is the hydraulic clutch master cylinder (to the right in the pic) The pedals operate directly onto the master/cyl,s from the other side of the bulkhead.
When I get the negs sorted, hopefully the pic will be a lot clearer.
Yes is the answer,..... Look at the front lower edge of the cast aluminium bulkhead. you will see three small cylinder projections. The two close together are the front and rear brake master cylinders. The other is the hydraulic clutch master cylinder (to the right in the pic) The pedals operate directly onto the master/cyl,s from the other side of the bulkhead.
When I get the negs sorted, hopefully the pic will be a lot clearer.
Peloton25
01-25-2007, 05:21 PM
Wow - I didn't realize it was quite that direct. That's pretty impressive. Can't wait to see the clearer photo.
>8^)
ER
>8^)
ER
carbuilder2002
01-25-2007, 05:31 PM
That's our Mr Murray, direct and to the point, why waste space and weight with linkages. Anyway it is common racing practice.
Peloton25
01-25-2007, 06:14 PM
I was going to ask where the reserviors were in that photo as typically all the master cylinders I have seen have them mounted direct, but then I recalled the F1 has remote reserviors tucked into the left side of the front compartment.
This isn't the best photo of that area, but it was the best one I had handy at the moment. (added a close-up version now)
http://img.photobucket.com/albums/v482/Peloton25/McLaren%20F1%20D/th_front_compartment.jpg (http://img.photobucket.com/albums/v482/Peloton25/McLaren%20F1%20D/front_compartment.jpg) http://img.photobucket.com/albums/v482/Peloton25/McLaren%20F1%20D/th_DSC00680b.jpg (http://img.photobucket.com/albums/v482/Peloton25/McLaren%20F1%20D/DSC00680b.jpg)
>8^)
ER
This isn't the best photo of that area, but it was the best one I had handy at the moment. (added a close-up version now)
http://img.photobucket.com/albums/v482/Peloton25/McLaren%20F1%20D/th_front_compartment.jpg (http://img.photobucket.com/albums/v482/Peloton25/McLaren%20F1%20D/front_compartment.jpg) http://img.photobucket.com/albums/v482/Peloton25/McLaren%20F1%20D/th_DSC00680b.jpg (http://img.photobucket.com/albums/v482/Peloton25/McLaren%20F1%20D/DSC00680b.jpg)
>8^)
ER
NewyorkKopter
01-25-2007, 07:31 PM
oh wow that is impressive. The master cylinders look pretty small, do they still hold two pistons or do they have one? because the master cylinder in the F40 is like twice the size
http://img.photobucket.com/albums/v178/NewyorkKopter/P031Web30.jpg
or is it because the fluid resevoirs on the F40 are mounted right on top of it?
http://img.photobucket.com/albums/v178/NewyorkKopter/P031Web30.jpg
or is it because the fluid resevoirs on the F40 are mounted right on top of it?
Mcl@ren
01-25-2007, 11:46 PM
Here is a link. i found it on smugmug.
http://douging.smugmug.com/gallery/814285#36274161
oh wow that is impressive. The master cylinders look pretty small, do they still hold two pistons or do they have one? because the master cylinder in the F40 is like twice the size
Not all master cylinders look the same. i presume the ones you see in Le Mans pic are similar to what most racing cars would use. the ones on the F40 do look quite large but the actual master cylinder is just under the resovoir. Just under the resovoir you can see a yellow bolt. this is the mounting point of the master cylinder to what i believe is housing covering the linkage system. everything forward of that bolt would look much the same as the F1s master cylinder. although it looks like the F40 only has one master cylinder for the complete braking system.
In addition the F1 definatly has 2 master cylinders as both internal pics of the footwell and the pic Le Man has provided show this to be the case.
I have pic of a Alfa GTV preped for racing at home. I will email the pic to Peloton, he will maybe post it for me as i have yet to figure that out. the pic shows a similar setup but both master cylinders and the pedal are all in side the car.
Peloton>>> Ps. Busy checking out photobucket. will let you know if i don't come right.
http://douging.smugmug.com/gallery/814285#36274161
oh wow that is impressive. The master cylinders look pretty small, do they still hold two pistons or do they have one? because the master cylinder in the F40 is like twice the size
Not all master cylinders look the same. i presume the ones you see in Le Mans pic are similar to what most racing cars would use. the ones on the F40 do look quite large but the actual master cylinder is just under the resovoir. Just under the resovoir you can see a yellow bolt. this is the mounting point of the master cylinder to what i believe is housing covering the linkage system. everything forward of that bolt would look much the same as the F1s master cylinder. although it looks like the F40 only has one master cylinder for the complete braking system.
In addition the F1 definatly has 2 master cylinders as both internal pics of the footwell and the pic Le Man has provided show this to be the case.
I have pic of a Alfa GTV preped for racing at home. I will email the pic to Peloton, he will maybe post it for me as i have yet to figure that out. the pic shows a similar setup but both master cylinders and the pedal are all in side the car.
Peloton>>> Ps. Busy checking out photobucket. will let you know if i don't come right.
Le Man
01-26-2007, 09:14 AM
Wow - I didn't realize it was quite that direct. That's pretty impressive. Can't wait to see the clearer photo.
>8^)
ER
Here you go!!
http://img255.imageshack.us/img255/9696/copyofnegative212041xo2.th.jpg (http://img255.imageshack.us/my.php?image=copyofnegative212041xo2.jpg) (clickable)
They are single piston master/cylinders on the McLaren F1, made by Brembo in alloy. The F40 has a tanderm cylinder which runs two pistons inline. This type can be used for front to rear split or diagonal circuit. The Ferrari one looks like a stock unit, Which are normally made of cast iron.
>8^)
ER
Here you go!!
http://img255.imageshack.us/img255/9696/copyofnegative212041xo2.th.jpg (http://img255.imageshack.us/my.php?image=copyofnegative212041xo2.jpg) (clickable)
They are single piston master/cylinders on the McLaren F1, made by Brembo in alloy. The F40 has a tanderm cylinder which runs two pistons inline. This type can be used for front to rear split or diagonal circuit. The Ferrari one looks like a stock unit, Which are normally made of cast iron.
Peloton25
01-26-2007, 12:28 PM
Thanks for the enhanced version sir. :thumbsup:
I'll wonder out loud about who may have purchased that GTR Service Manual that appeared on Ebay about a year or so ago. I would imagine that it has diagrams of the F1s major systems inside it and likely the braking system wasn't much different on those cars.
>8^)
ER
I'll wonder out loud about who may have purchased that GTR Service Manual that appeared on Ebay about a year or so ago. I would imagine that it has diagrams of the F1s major systems inside it and likely the braking system wasn't much different on those cars.
>8^)
ER
Le Man
01-26-2007, 01:28 PM
Thanks for the enhanced version sir. :thumbsup:
I'll wonder out loud about who may have purchased that GTR Service Manual that appeared on Ebay about a year or so ago. I would imagine that it has diagrams of the F1s major systems inside it and likely the braking system wasn't much different on those cars.
>8^)
ER
Not me I,m afraid. but it would be nice if whoever has got it, to share some of the content.
I can add, that the GTR brake system varied quite a bit from the road car set up. The biggest change was the deletion of the electronically controlled front and rear brake cooling system. also there were many changes to the component size,s.
I'll wonder out loud about who may have purchased that GTR Service Manual that appeared on Ebay about a year or so ago. I would imagine that it has diagrams of the F1s major systems inside it and likely the braking system wasn't much different on those cars.
>8^)
ER
Not me I,m afraid. but it would be nice if whoever has got it, to share some of the content.
I can add, that the GTR brake system varied quite a bit from the road car set up. The biggest change was the deletion of the electronically controlled front and rear brake cooling system. also there were many changes to the component size,s.
Peloton25
01-26-2007, 02:59 PM
True on all that you said, but I was referring to the location of key components and the routing of the lines and such. :)
>8^)
ER
>8^)
ER
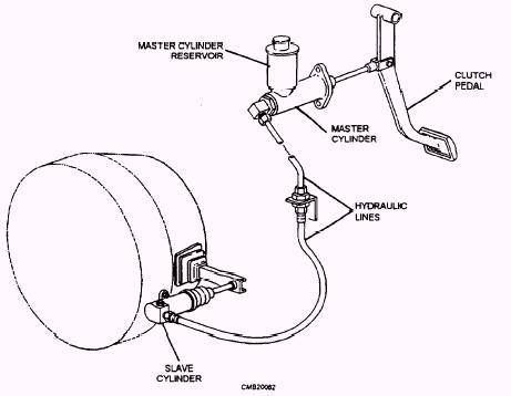
NewyorkKopter
01-26-2007, 03:04 PM
ah the pic, thats what I saying because the F1's master cylinders looked like they only housed one piston.
Just out of curiosity...since the F1's clutch is hydraulic does that mean it works like the diagram below?
http://img.photobucket.com/albums/v178/NewyorkKopter/hydraulicClutch.jpg
btw wats that huge drum where the slave cylinder connects?
Just out of curiosity...since the F1's clutch is hydraulic does that mean it works like the diagram below?
http://img.photobucket.com/albums/v178/NewyorkKopter/hydraulicClutch.jpg
btw wats that huge drum where the slave cylinder connects?
Le Man
01-26-2007, 03:25 PM
Just out of curiosity...since the F1's clutch is hydraulic does that mean it works like the diagram below?
http://img.photobucket.com/albums/v178/NewyorkKopter/hydraulicClutch.jpg
btw wats that huge drum where the slave cylinder connects?
That drum is the schematic drawing for the clutch bell housing. (is this thread some sort of car mechanics master class :evillol: )
http://img.photobucket.com/albums/v178/NewyorkKopter/hydraulicClutch.jpg
btw wats that huge drum where the slave cylinder connects?
That drum is the schematic drawing for the clutch bell housing. (is this thread some sort of car mechanics master class :evillol: )
carbuilder2002
01-26-2007, 03:26 PM
That big drum will be the clutch bell housing, not sure what the US terminology for it is.
NewyorkKopter
01-27-2007, 10:47 AM
ohhh thanks
hey, did we get that picture of the undertray off?
hey, did we get that picture of the undertray off?
hurstg01
01-27-2007, 12:11 PM
this one?
http://img149.imagevenue.com/loc141/th_21422_36274161_L_122_141lo.jpg (http://img149.imagevenue.com/img.php?image=21422_36274161_L_122_141lo.jpg)
there was a link to it earlier on from Mcl@ren
http://img149.imagevenue.com/loc141/th_21422_36274161_L_122_141lo.jpg (http://img149.imagevenue.com/img.php?image=21422_36274161_L_122_141lo.jpg)
there was a link to it earlier on from Mcl@ren
NewyorkKopter
01-27-2007, 10:37 PM
yup that looks like the one he was talking about. so, the F1's rear suspension really was bolted right on to the gearbox afterall :smokin: . btw, Are those two long olive greenish colored wires running side-by-side into the tranny on the right side of the pic the hydraulic fluid lines for the clutch?
Peloton25
01-27-2007, 10:50 PM
Those are the cables for the shifter - only the longtail GTRs had a rod actuated shift linkage.
I recall when I first saw this shot being surprised how robust all the pieces of the parking brake mechanism appear to be. I bet they still weigh next to nothing though.
>8^)
ER
I recall when I first saw this shot being surprised how robust all the pieces of the parking brake mechanism appear to be. I bet they still weigh next to nothing though.
>8^)
ER
Mcl@ren
01-28-2007, 05:13 AM
I Can't find the pic of thE alfa i had, but have a tandam brakes system pic.http://i171.photobucket.com/albums/u295/mclaren_1/17_14.jpg
NewyorkKopter
01-28-2007, 11:22 AM
oo nice pic. i see two master cylinders. Wait so the F1 had cables for the shift linkage? How did that work? Did they have fluid in them that would push a slave cyliner or something in the gearbox when you shifted?
carbuilder2002
01-28-2007, 12:12 PM
Nope no hydraulics involved that would take away the feel ther Mr Murray was so insistent on. Just a simple push pull machanism, very similar I believe to the Lotus Esprit gearchange. It does need very carefull setting up though and needs frequent adjustment as the cables are prone to stretch.
NewyorkKopter
01-28-2007, 12:16 PM
lol true. He did use hydraulic brakes, and a hydraulic clutch though:iceslolan But anyways so it was just two wires housing cables running from the shifter to the gearbox?
Peloton25
01-28-2007, 12:38 PM
lol true. He did use hydraulic brakes, and a hydraulic clutch though:iceslolan But anyways so it was just two wires housing cables running from the shifter to the gearbox?
The shifter moves on two planes - forwards/backwards and from side to side. Two cables are all that are required to capture that movement.
>8^)
ER
The shifter moves on two planes - forwards/backwards and from side to side. Two cables are all that are required to capture that movement.
>8^)
ER
amanichen
01-28-2007, 02:50 PM
lol true. He did use hydraulic brakes, and a hydraulic clutch though:iceslolan But anyways so it was just two wires housing cables running from the shifter to the gearbox?Hydraulics allow for force multiplication. There's no way you'd be able to stop your car or deform the clutch pressure plate using leg strength alone. Operating a gearbox takes much less force.
carbuilder2002
01-28-2007, 04:37 PM
Hydraulics allow for force multiplication. There's no way you'd be able to stop your car or deform the clutch pressure plate using leg strength alone. Operating a gearbox takes much less force.
You evidently have never driven a Vintage Bentley my boy. No hydraulics there lol. Mind they do have 14" long brake and clutch pedals to give the leverage. Not an option in an F1.
You evidently have never driven a Vintage Bentley my boy. No hydraulics there lol. Mind they do have 14" long brake and clutch pedals to give the leverage. Not an option in an F1.
NewyorkKopter
01-29-2007, 04:51 PM
good point. Shifting gears does require less force.
amanichen
01-29-2007, 06:01 PM
You evidently have never driven a Vintage Bentley my boy. No hydraulics there lol. Mind they do have 14" long brake and clutch pedals to give the leverage. Not an option in an F1.No, I haven't. Hydraulics are used because they offer advantages OTHER than vehicle packaging and layout. Those Bentley brakes were probably quite underpowered by today's standards, if not by "vintage" standards.
By today's standards you would need a ridiculously long lever to even approach the force multiplication possible with hydraulics. If you somehow managed to put a 14" brake lever in an F1 you still wouldn't approach the force multiplication possible with hydraulics.
Another point is reliability: hydraulics are fairly reliable for high force applications, and unless they catastrophicly fail, you generally have some reserve braking capacity, whereas a cable doesn't do anything once it has failed.
By today's standards you would need a ridiculously long lever to even approach the force multiplication possible with hydraulics. If you somehow managed to put a 14" brake lever in an F1 you still wouldn't approach the force multiplication possible with hydraulics.
Another point is reliability: hydraulics are fairly reliable for high force applications, and unless they catastrophicly fail, you generally have some reserve braking capacity, whereas a cable doesn't do anything once it has failed.
carbuilder2002
01-30-2007, 03:36 PM
I was not suggesting the mac could have used mechanical brakes. The old bentleys have 400mm drum brakes and massive leverage through multiplying levers. I had one tested at a modern MOT testing station and it produced a better braking force than my then ABS equiped ford scorpion. Mind the 1 3/4 ton weight may have helped a lot.
Still scary to try and stop though, you need to think ahead for different reasons than the F1. A modern car would not impede its progress much.
Still scary to try and stop though, you need to think ahead for different reasons than the F1. A modern car would not impede its progress much.
NewyorkKopter
01-31-2007, 08:01 PM
Alright I just want to make sure on the following things before this thread completeley dies.:iceslolan
The McLaren F1's...
-Brakes, were unassisted with two master cylinders(Front and Rear) with seperate fluid containers
-Clutch, was hydraulically operated in which when you pushed the clutch pedal it would push the master cylinder forcing the fluid outward to push a slave cylinder connected to the fork in the clutch bell housing
-Shift linkage, composed of two wires housing a single cable each (one for the up/down motion and one for the side-to-side motion) running from the shifter to the gearbox.
and finally...the two master cylinders for the brakes and one for the hydraulic clutch make for a total of 3 master cylinders each of which connect to seperate fluid resevoirs in the front compartment.
Is that all correct?Thankss:smokin:
The McLaren F1's...
-Brakes, were unassisted with two master cylinders(Front and Rear) with seperate fluid containers
-Clutch, was hydraulically operated in which when you pushed the clutch pedal it would push the master cylinder forcing the fluid outward to push a slave cylinder connected to the fork in the clutch bell housing
-Shift linkage, composed of two wires housing a single cable each (one for the up/down motion and one for the side-to-side motion) running from the shifter to the gearbox.
and finally...the two master cylinders for the brakes and one for the hydraulic clutch make for a total of 3 master cylinders each of which connect to seperate fluid resevoirs in the front compartment.
Is that all correct?Thankss:smokin:
carbuilder2002
02-01-2007, 12:49 AM
That would be a correct rundown. The only addition I can make is that the two gear linkage cables run in seperate cable sheaths to the gearbox.
Each master cylinder has it's own remote mounted fluid resevoir and each ov the 2 brake master cylinders are linked independantly and directly to the brake pedal.
This last comment is more an assumption than true knowledge but the rear master cykinder may be a slightly different size to the front at there will normally be less pressure required on the rear brakes, but as I say that is just assumption not proven fact.
Each master cylinder has it's own remote mounted fluid resevoir and each ov the 2 brake master cylinders are linked independantly and directly to the brake pedal.
This last comment is more an assumption than true knowledge but the rear master cykinder may be a slightly different size to the front at there will normally be less pressure required on the rear brakes, but as I say that is just assumption not proven fact.
Mcl@ren
02-02-2007, 01:23 AM
Caruilder >>>>
Is the balance bar not suppose to dissipate the pressure from the pedal to the master cylinders according to the setting of the balance bar ?
But thinking about it, i would also think that a different size master cylinder would make sense.
Is the balance bar not suppose to dissipate the pressure from the pedal to the master cylinders according to the setting of the balance bar ?
But thinking about it, i would also think that a different size master cylinder would make sense.
Noddy
02-02-2007, 10:34 AM
Caruilder >>>>
Is the balance bar not suppose to dissipate the pressure from the pedal to the master cylinders according to the setting of the balance bar ?
But thinking about it, i would also think that a different size master cylinder would make sense.
Balance bars are really only intended for fine-tuning, the bore sizes of the master cylinders are the "real" means of distributing the braking force.
Is the balance bar not suppose to dissipate the pressure from the pedal to the master cylinders according to the setting of the balance bar ?
But thinking about it, i would also think that a different size master cylinder would make sense.
Balance bars are really only intended for fine-tuning, the bore sizes of the master cylinders are the "real" means of distributing the braking force.
carbuilder2002
02-02-2007, 03:00 PM
Yep true, usually a balance bar is adjustable from the drivers seat. The master cylinders are usually different sizes larger for the front smaller for the rear.
Maybe someone can clarify this? In the GTR's on the R/H pod beside the main instrument cluster is a large round knob, this would seem to be perfectly placed to be the balance bar adjustment?
Maybe someone can clarify this? In the GTR's on the R/H pod beside the main instrument cluster is a large round knob, this would seem to be perfectly placed to be the balance bar adjustment?
NewyorkKopter
02-02-2007, 03:24 PM
ohh true. Thanks for that
webslinger283
12-04-2012, 08:33 PM
Question about the Handbrake. I was going though my pictures and noticed that I can not find one picture with the handbrake in the up or engaged position. Is there some unique feature to the handle to allow the driver easy access to the center seat without having the handbrake in the up position? Or do none of the McLaren F1 owners use them right before taking a picture? Thanks in advance for any thoughts or insight!
Peloton25
12-04-2012, 09:14 PM
Quite a few cars employ what is called a fly-off handbrake, also found in the F1. Basically you pull it up like any other car to engage it, but the handle doesn't remain in that position. It locks the cam in place that has pulled the cable taught, and then you can press the handle back down to remain flush with the chassis for ease of getting in and out of the car. To disengage the parking brake you'd pull the handle up again to its point of engagement (no resistance on the up stroke) and then press and hold the button while lowering it to release the brake. I think I have a picture of the handbrake in an elevated position, but you are correct that there wouldn't be many.
>8^)
ER
>8^)
ER
roger_ph
12-06-2012, 01:57 PM
Question about the Handbrake. I was going though my pictures and noticed that I can not find one picture with the handbrake in the up or engaged position. Is there some unique feature to the handle to allow the driver easy access to the center seat without having the handbrake in the up position? Or do none of the McLaren F1 owners use them right before taking a picture? Thanks in advance for any thoughts or insight!
This picture shows the handbrake lever in its upper position: [img=http://img279.imagevenue.com/loc340/th_821520766_P1000847_122_340lo.JPG] (http://img279.imagevenue.com/img.php?image=821520766_P1000847_122_340lo.JPG)
This picture shows the handbrake lever in its upper position: [img=http://img279.imagevenue.com/loc340/th_821520766_P1000847_122_340lo.JPG] (http://img279.imagevenue.com/img.php?image=821520766_P1000847_122_340lo.JPG)
Automotive Network, Inc., Copyright ©2026
