Blinker box
LucinoSR20
10-19-2005, 09:09 AM
OK.... recently my friend got into a bad wreak, and i had to go pick him up. I pulled to the side of the road behind some cops, so i hit my flashers. When i got back into the car, my blinkers wouldnt work, and i smelled a sort of burning. I figured i was my flasher box, b/c when i put my turn signal on, it just stays on. The lights work, but no blinky. I went to autozone, and asked for a flasher box, and they pulled a part and gave it to me, and said this will make them work. Thing is, i cannot find where to put this thing AT ALL. I know theres a little white box on the back of them guage cluster, but it doesnt look at all like the black box they gave me. Does anyone know where this is, or if this is even the problem. I searched it on here, and about 3 other forums, with no success. Ive looked in the haynes also, nothing there either. Can anyone help me out? thanks -Aaron
Boogieman142
10-26-2005, 02:26 AM
well, you didn't say what year or engine so, this may or may not help. The "flasher box" is under the right side dash, you may need to remove the panel to get to it but i'm not sure, I didn't look at mine. If you tell me the year, and engine then I can tell you exactly where it is.http://i28.photobucket.com/albums/c216/Boogieman142/flashermodule.gif
slideways...
10-26-2005, 02:34 AM
change your blinker fluid\
the best stuff to use is made by apex'i
you can tell because its purplish in color as the usdm stuff is yellowish
the best stuff to use is made by apex'i
you can tell because its purplish in color as the usdm stuff is yellowish
LucinoSR20
10-26-2005, 01:39 PM
change your blinker fluid\
the best stuff to use is made by apex'i
you can tell because its purplish in color as the usdm stuff is yellowish
you hounestly dont think im that stupid do you... BLINKER FLUID?
oh and its a 96 200sx se-r with a jdm highport sr20
the best stuff to use is made by apex'i
you can tell because its purplish in color as the usdm stuff is yellowish
you hounestly dont think im that stupid do you... BLINKER FLUID?
oh and its a 96 200sx se-r with a jdm highport sr20
Chiquae07
10-26-2005, 02:59 PM
blinker fluid..u must be wrong. i thought it was the cd deck fluid that needed to be changed...otherwise id just check all the fuses. idk what to tell you.
Boogieman142
10-26-2005, 09:50 PM
you hounestly dont think im that stupid do you... BLINKER FLUID?
oh and its a 96 200sx se-r with a jdm highport sr20
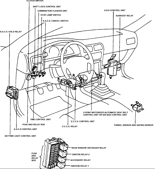
Ok, here is the diagram, and how to test the flasher module.
http://i28.photobucket.com/albums/c216/Boogieman142/200sx.gif
http://i28.photobucket.com/albums/c216/Boogieman142/1.gif
Before checking, ensure that bulbs meet specifications.
Connect a battery and test lamp to the combination flasher unit, as shown. Combination flasher unit is properly functioning if it blinks when power is supplied to the circuit.
oh and its a 96 200sx se-r with a jdm highport sr20
Ok, here is the diagram, and how to test the flasher module.
http://i28.photobucket.com/albums/c216/Boogieman142/200sx.gif
http://i28.photobucket.com/albums/c216/Boogieman142/1.gif
Before checking, ensure that bulbs meet specifications.
Connect a battery and test lamp to the combination flasher unit, as shown. Combination flasher unit is properly functioning if it blinks when power is supplied to the circuit.
Boogieman142
10-26-2005, 09:53 PM
Ok, here is the diagram, and how to test the flasher module.
http://i28.photobucket.com/albums/c216/Boogieman142/200sx.gif
http://i28.photobucket.com/albums/c216/Boogieman142/test.gif
Before checking, ensure that bulbs meet specifications.
Connect a battery and test lamp to the combination flasher unit, as shown. Combination flasher unit is properly functioning if it blinks when power is supplied to the circuit.
Use this one, my last post was the wrong diagram for testing
http://i28.photobucket.com/albums/c216/Boogieman142/200sx.gif
http://i28.photobucket.com/albums/c216/Boogieman142/test.gif
Before checking, ensure that bulbs meet specifications.
Connect a battery and test lamp to the combination flasher unit, as shown. Combination flasher unit is properly functioning if it blinks when power is supplied to the circuit.
Use this one, my last post was the wrong diagram for testing
LucinoSR20
10-26-2005, 10:08 PM
thanks for the replies man.... i finally just took off the under dash, and found it sitting below the steering wheel. Works now and all is good... i only found this out after i snapped my clutch cable in half and took it off to see the cluth pedal better. Thanks again -Aaron
slideways...
10-27-2005, 12:46 AM
no i dont think your dumb i was just drunk last night and was kind of being an ass. sorry. good thing i didnt bring up exhaust bearings or something :p
Automotive Network, Inc., Copyright ©2026
