Cooling Issue...Please help
teafreak35
08-03-2011, 03:26 PM
I've noticed lately that my air conditioner in my 1999 malibu isn't cooling as well as it was just a month or so ago. Today, the air temp outside is 97 degrees. My engine temp is running right around 200 degrees. Normally it runs around 180. The air conditioner puts out minimally cool air, NOT COLD. It cools better at highway speeds than while driving around town. It seems that the higher the engine temp goes, the less the ac cools. I checked the refrigerant level in the ac last week and it was right at 52 psi according to my gauge...I think 55 is the high limit.
Here's what has me confused. No matter how hot the car gets or how high the ac is turned up, only one coolant fun runs. When I first crank the car, the fan on the passenger side of the radiator will come on briefly, but turns slowly, then turns off to never come back on again. Driver's side fan runs from the time you crank the car until after the car is shut off.
Should both of these fans be running under the conditions that I described above? And...if one of these isn't working, could that cause my ac not to cool as well as it should? I'm confused at this point...any help is appreciated!!
Here's what has me confused. No matter how hot the car gets or how high the ac is turned up, only one coolant fun runs. When I first crank the car, the fan on the passenger side of the radiator will come on briefly, but turns slowly, then turns off to never come back on again. Driver's side fan runs from the time you crank the car until after the car is shut off.
Should both of these fans be running under the conditions that I described above? And...if one of these isn't working, could that cause my ac not to cool as well as it should? I'm confused at this point...any help is appreciated!!
inafogg
08-03-2011, 03:47 PM
I've noticed lately that my air conditioner in my 1999 malibu isn't cooling as well as it was just a month or so ago. Today, the air temp outside is 97 degrees. My engine temp is running right around 200 degrees. Normally it runs around 180. The air conditioner puts out minimally cool air, NOT COLD. It cools better at highway speeds than while driving around town. It seems that the higher the engine temp goes, the less the ac cools. I checked the refrigerant level in the ac last week and it was right at 52 psi according to my gauge...I think 55 is the high limit.
Here's what has me confused. No matter how hot the car gets or how high the ac is turned up, only one coolant fun runs. When I first crank the car, the fan on the passenger side of the radiator will come on briefly, but turns slowly, then turns off to never come back on again. Driver's side fan runs from the time you crank the car until after the car is shut off.
Should both of these fans be running under the conditions that I described above? And...if one of these isn't working, could that cause my ac not to cool as well as it should? I'm confused at this point...any help is appreciated!!
when the ac is on both fans should be running.you may have a bad sensor,try starting the engine with the ac off,let it idle & see if the drivers side comes on when temp gets to 220 or so.if not the ect sensor could be bad.
(engine coolant temperture)
Here's what has me confused. No matter how hot the car gets or how high the ac is turned up, only one coolant fun runs. When I first crank the car, the fan on the passenger side of the radiator will come on briefly, but turns slowly, then turns off to never come back on again. Driver's side fan runs from the time you crank the car until after the car is shut off.
Should both of these fans be running under the conditions that I described above? And...if one of these isn't working, could that cause my ac not to cool as well as it should? I'm confused at this point...any help is appreciated!!
when the ac is on both fans should be running.you may have a bad sensor,try starting the engine with the ac off,let it idle & see if the drivers side comes on when temp gets to 220 or so.if not the ect sensor could be bad.
(engine coolant temperture)
teafreak35
08-03-2011, 03:54 PM
when the ac is on both fans should be running.you may have a bad sensor,try starting the engine with the ac off,let it idle & see if the drivers side comes on when temp gets to 220 or so.if not the ect sensor could be bad.
(engine coolant temperture)
The driver's side fan runs all the time, now. It's the passenger's side fan that come's on for a few seconds at a very slow speed then turns off and never comes on again. If I'm understanding correctly, what your saying is that the driver's side fan may be coming on b/c the ac is on, so if I leave the ac off and it never comes on, then I've got a sensor problem?
(engine coolant temperture)
The driver's side fan runs all the time, now. It's the passenger's side fan that come's on for a few seconds at a very slow speed then turns off and never comes on again. If I'm understanding correctly, what your saying is that the driver's side fan may be coming on b/c the ac is on, so if I leave the ac off and it never comes on, then I've got a sensor problem?
inafogg
08-03-2011, 05:16 PM
need to see a wiring diagrahm,i thought that the drivers side fan controled engine
temp & the passenger side fan comes on with ac.either way the fans should not be
running all the time,could be a sensor but also may be a wiring problem.has there been any accidents with the car or do you no if the fan has always been on.if you disconnect the ect sensor it should turn the fan on,thats why im thinking it could
be in the wiring.hopefully someone will have a diagrahm & crime in
BTW have you look at the fuses in cab & engine compartment?
temp & the passenger side fan comes on with ac.either way the fans should not be
running all the time,could be a sensor but also may be a wiring problem.has there been any accidents with the car or do you no if the fan has always been on.if you disconnect the ect sensor it should turn the fan on,thats why im thinking it could
be in the wiring.hopefully someone will have a diagrahm & crime in
BTW have you look at the fuses in cab & engine compartment?
teafreak35
08-03-2011, 05:45 PM
Ok, here's some updated information. I started the car with ac off and engine cool. BOTH fans came on and ran UNTIL I turned ac on...then passenger side fan turned off. I shut car off and restarted engine with ac off again. This time, Driver side fan came on and stayed on and passenger side came on for a second or two then shut off and never came on again. Shut the car off a third time and let it set for a minute or two. Cranked it back up. Neither fan came on. I let car idle for about 7-8 minutes and watched water temp. Temp got to around 180, but never went over. Ideas?
teafreak35
08-03-2011, 05:49 PM
need to see a wiring diagrahm,i thought that the drivers side fan controled engine
temp & the passenger side fan comes on with ac.either way the fans should not be
running all the time,could be a sensor but also may be a wiring problem.has there been any accidents with the car or do you no if the fan has always been on.if you disconnect the ect sensor it should turn the fan on,thats why im thinking it could
be in the wiring.hopefully someone will have a diagrahm & crime in
BTW have you look at the fuses in cab & engine compartment?
The car has not been in any accidents. all fuses are good and relays don't appear to be burned or anything. Where is the ect sensor? And...will it cause both fans to run or just the engine cooling fan?
temp & the passenger side fan comes on with ac.either way the fans should not be
running all the time,could be a sensor but also may be a wiring problem.has there been any accidents with the car or do you no if the fan has always been on.if you disconnect the ect sensor it should turn the fan on,thats why im thinking it could
be in the wiring.hopefully someone will have a diagrahm & crime in
BTW have you look at the fuses in cab & engine compartment?
The car has not been in any accidents. all fuses are good and relays don't appear to be burned or anything. Where is the ect sensor? And...will it cause both fans to run or just the engine cooling fan?
inafogg
08-03-2011, 05:58 PM
ect sensor is next to the thermostst housing.it only controls the one fan & should come on at 220* +/-
inafogg
08-03-2011, 07:00 PM
hey tea,are you the original owner of the car??
procaddytech
08-03-2011, 07:08 PM
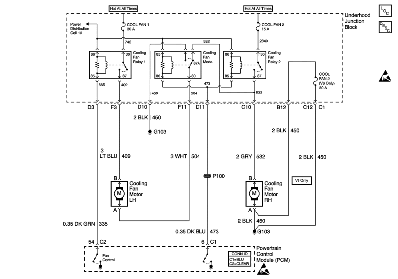
Both fans should run any time fan operation is requested. They run in series for slow speed and in parallel for high speed.
http://i36.photobucket.com/albums/e50/twabelljr/Malibufan.gif
I would suspect the mode relay first.
http://i36.photobucket.com/albums/e50/twabelljr/Malibufan.gif
I would suspect the mode relay first.
teafreak35
08-04-2011, 11:07 AM
Yep, bought her new off the lot back in 99. Been a dream of a car all these years. I've never had any problems, other than one little coolant leak. This ac thing has me confused though b/c the ac system looks nothing like any of my other gm vehicles. There's no condensor or evaporator (that I see, anyway). If I understand right, it makes use of the radiator somehow...and I guess that's why the fan activity is having such an affect on the old girl...
teafreak35
08-04-2011, 11:09 AM
Both fans should run any time fan operation is requested. They run in series for slow speed and in parallel for high speed.
I would suspect the mode relay first.
So if one fan is running, at any time, they both should be running? If that's the case then there's definately a problem. If one of the relays is bad, would it cause one fan to sometimes work, but not always? Is there a way to test the relays?
I would suspect the mode relay first.
So if one fan is running, at any time, they both should be running? If that's the case then there's definately a problem. If one of the relays is bad, would it cause one fan to sometimes work, but not always? Is there a way to test the relays?
inafogg
08-04-2011, 11:34 AM
So if one fan is running, at any time, they both should be running? If that's the case then there's definately a problem. If one of the relays is bad, would it cause one fan to sometimes work, but not always? Is there a way to test the relays?
do a search on youtube alot of info/test on relays
like procaddy says both work together,but if there is no fan command
neither should be on.
btw this is new to me its not the normal set up i've seen or im use to
do a search on youtube alot of info/test on relays
like procaddy says both work together,but if there is no fan command
neither should be on.
btw this is new to me its not the normal set up i've seen or im use to
teafreak35
08-04-2011, 12:28 PM
Ok, after looking at the wiring diagram, I think I have this figured out. It looks like the PCM sends a fan on command to RH fan module...which then flows through the mode module to run LH fan (both on low speed). When both fans to be running on high speed, PCM sends signal to mode module which grounds out feed from RH fan and, at same time, engages the LH fan module so that both fans now run at high speed. After looking at this, I believe that my left hand relay module is bad. That's why the RH fan runs at full blast ALL the time and the left hand only comes on when engine temp is low and signals low speed! If this is correct and replacing the module fixes this...then you guys are my heroes!! Going to find a part...
procaddytech
08-05-2011, 06:55 AM
If the left fan runs on low speed so sould the right fan. PCM grounds fan control ckt., closing relay 1. (any time fans are needed relay 1 is grounded and closed) Power comes from Cool Fan 1 fuse, through Relay 1, the L/H fan motor, up through the normally closed contacts (87A) of the mode relay, down to splice into ckt 532, through R/H fan motor to G103. They run series, 6 volts each, half speed. The Mode relay and Relay 2 are not commanded on until high speed is needed, isolating the L/H and R/H fans to each run on their own full 12 volts. With a cold start engine and A/C off, neither fan should be running.
procaddytech
08-05-2011, 07:22 AM
procaddytech
08-05-2011, 08:51 AM
teafreak35
08-05-2011, 10:49 AM
Exactly right, Procaddy. Here's the newest info. In all my looking, I overlooked a 15amp fuse that powers the RH fan when it's in single fan (full power) mode. So, replaced fuse and cranked car with AC on and watched what happened. (Engine was still warm)
Both fans came on immediately, running at low speed. I heard Mode relay click and LH (drivers side) fan went immediately into high speed. As soon as the relay clicked for the RH (passenger fan) to go to full speed, the fuse blew. I then unplugged the RH fan, put my meter on the wire, popped in a new fuse and found that there is exactly 12 volts coming to the fan and nothing blew with fan unplugged. This leads me to believe that there is no short in the wiring itself, or that would have blown the fuse (even with it unplugged). So, at this point, I'm thinking that the fan motor itself may be bad. The only thing that has me confused is that it will run (although much slower than the LH fan...barely spinning as a matter of fact) when in dual mode without blowing the big 30amp fuse that powers both motors. Could it be possible that the motor is bad, but not bad enough to blow that 30amp fuse? Is there a way to test the motor? I put my ohm meter on the motor and it is ohming out.
Both fans came on immediately, running at low speed. I heard Mode relay click and LH (drivers side) fan went immediately into high speed. As soon as the relay clicked for the RH (passenger fan) to go to full speed, the fuse blew. I then unplugged the RH fan, put my meter on the wire, popped in a new fuse and found that there is exactly 12 volts coming to the fan and nothing blew with fan unplugged. This leads me to believe that there is no short in the wiring itself, or that would have blown the fuse (even with it unplugged). So, at this point, I'm thinking that the fan motor itself may be bad. The only thing that has me confused is that it will run (although much slower than the LH fan...barely spinning as a matter of fact) when in dual mode without blowing the big 30amp fuse that powers both motors. Could it be possible that the motor is bad, but not bad enough to blow that 30amp fuse? Is there a way to test the motor? I put my ohm meter on the motor and it is ohming out.
inafogg
08-05-2011, 11:17 AM
Tea, i believe your thinking is correct & you have a bad/shorted fan motor
when on low speed (6v)its not pulling as much amps
can you tie your meter into the circuit & ck amps?ofcourse you may blow
the fuse before you get a reading but maybe if you install a 20a fuse to give
you longer to ck
did you run without the ac on to see that neither fan comes on?
if this ck out then i think its safe to say motor is bad
when on low speed (6v)its not pulling as much amps
can you tie your meter into the circuit & ck amps?ofcourse you may blow
the fuse before you get a reading but maybe if you install a 20a fuse to give
you longer to ck
did you run without the ac on to see that neither fan comes on?
if this ck out then i think its safe to say motor is bad
teafreak35
08-05-2011, 02:40 PM
Tea, i believe your thinking is correct & you have a bad/shorted fan motor
when on low speed (6v)its not pulling as much amps
can you tie your meter into the circuit & ck amps?ofcourse you may blow
the fuse before you get a reading but maybe if you install a 20a fuse to give
you longer to ck
did you run without the ac on to see that neither fan comes on?
if this ck out then i think its safe to say motor is bad
Neither fan runs when ac is off and temp is down. It's been pretty hot here, 105 each afternoon, so it doesn't take long at all before that fan kicks into high gear. One other thing I forgot to mention that is really about got me convinced it's a bad fan. Last few mornings when I have cranked the car, I've heard a short noise coming from the engine area that I now think must be the bearings on the bad fan motor. My thoughts are that the bearings are probably going out and are causing the motor to drag, requiring more amperage to turn it. That big 30 amp fuse can handle the load, but the little 15 amp fuse can't. I found a new motor for $50 so I'm gonna try it. I'll let you all know how it turns out.
when on low speed (6v)its not pulling as much amps
can you tie your meter into the circuit & ck amps?ofcourse you may blow
the fuse before you get a reading but maybe if you install a 20a fuse to give
you longer to ck
did you run without the ac on to see that neither fan comes on?
if this ck out then i think its safe to say motor is bad
Neither fan runs when ac is off and temp is down. It's been pretty hot here, 105 each afternoon, so it doesn't take long at all before that fan kicks into high gear. One other thing I forgot to mention that is really about got me convinced it's a bad fan. Last few mornings when I have cranked the car, I've heard a short noise coming from the engine area that I now think must be the bearings on the bad fan motor. My thoughts are that the bearings are probably going out and are causing the motor to drag, requiring more amperage to turn it. That big 30 amp fuse can handle the load, but the little 15 amp fuse can't. I found a new motor for $50 so I'm gonna try it. I'll let you all know how it turns out.
inafogg
08-05-2011, 03:07 PM
can you try to spin the fan by hand to see if its dragging
teafreak35
08-05-2011, 11:49 PM
Ok, guys, replaced fan, new fuse, cranked her up...works like a charm! AC is cooling a good bit better and engine temp is staying down around 180. I really appreciate all of the help you guys gave me. You all saved me a couple hundred at least. Thanks guys!!!!
inafogg
08-05-2011, 11:53 PM
good to here,way to go!!!
procaddytech
08-06-2011, 07:30 AM
Way to stay on it! Brings a nice feeling of satisfaction and accomplishment huh? Stupid stalling fan motors.
Automotive Network, Inc., Copyright ©2026
